EasyManua.ls Logo

Doosan D439E - Crankcase

Doosan D439E
366 pages
Print Icon
To Next Page IconTo Next Page
To Next Page IconTo Next Page
To Previous Page IconTo Previous Page
To Previous Page IconTo Previous Page
Loading...
D439E Service Manual 2. Engine Mechanical System (D439E)
65
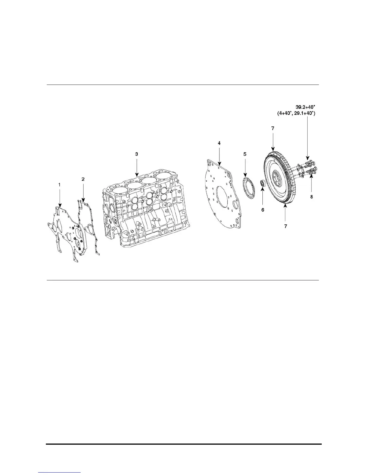
Crankcase
Flywheel
Components
1. Front plate
2. Gasket
3. Crankcase
4. Rear plate
5. Rear oil seal
6. Pilot bearing
7. Flywheel
8. Flywheel mounting bolt
Tightening Torque : Nm(kgf.m, Ib-ft)

Table of Contents

Related product manuals