EasyManua.ls Logo

Doosan D439E - Page 36

Doosan D439E
366 pages
Print Icon
To Next Page IconTo Next Page
To Next Page IconTo Next Page
To Previous Page IconTo Previous Page
To Previous Page IconTo Previous Page
Loading...
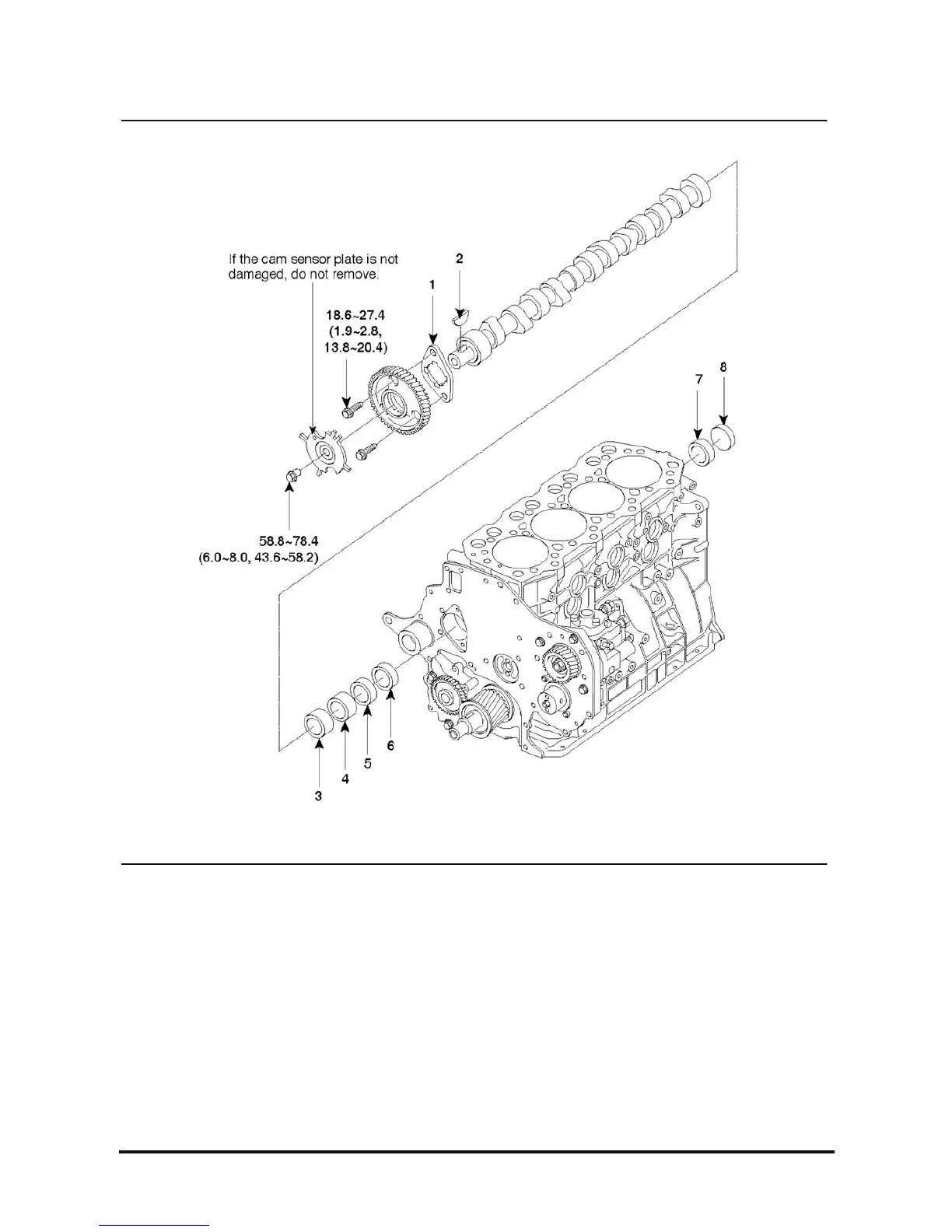
D439E Service Manual 2. Engine Mechanical System (D439E)
34
1. Thrust plate
2. Semicircular key
3. No.1 camshaft bush
4. No.2 camshaft bush
5. No.3 camshaft bush
6. No.4 camshaft bush
7. No.5 camshaft bush
8. Sealing cap
Tightening Torque : Nm (kgf.m, Ib-ft)

Table of Contents

Related product manuals