EasyManua.ls Logo

Doosan HP375WJD-T3 - Machine Systems

Doosan HP375WJD-T3
126 pages
Print Icon
To Next Page IconTo Next Page
To Next Page IconTo Next Page
To Previous Page IconTo Previous Page
To Previous Page IconTo Previous Page
Loading...
Operating & Maintenance Manual Machine Systems
104
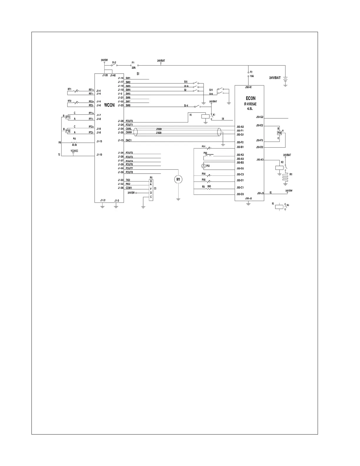
Machine Systems
Key
BAT
Battery
PT1
Pressure transducer, separator tank 0-500 PSIG
CO
RS232C comms
PT2
Pressure transducer, regulation system 0-100 PSIG
ECON
Engine controller
PM
Plug, machine ID
IG
Isochronous governor
R3
Idle sel
J50-G2
Wait to start lamp
RS
Relay-spst
J50-K3
Inlet heater
RT1
Thermistor, separator tank temperature -30- 255
0
F
P51
Coolant temp
RT2
Thermistor, airend discharge temperature -30- 255
0
F
P52
Inject
P53
Crank sensor
SI
Switch inputs
P54
Fuel temp
SM
Starter motor
P55
Manifold air temp
SW1
Spare
P56
Oil pressure
SW2
Display scroll
POUT1
Engine key switch
SW3
Low fuel shutdown
POUT2
Solenoid, start/run
SW4
Switch, service air
POUT3
Comp fault lamp
SW5
Air filter rest (option)

Table of Contents

Related product manuals