EasyManua.ls Logo

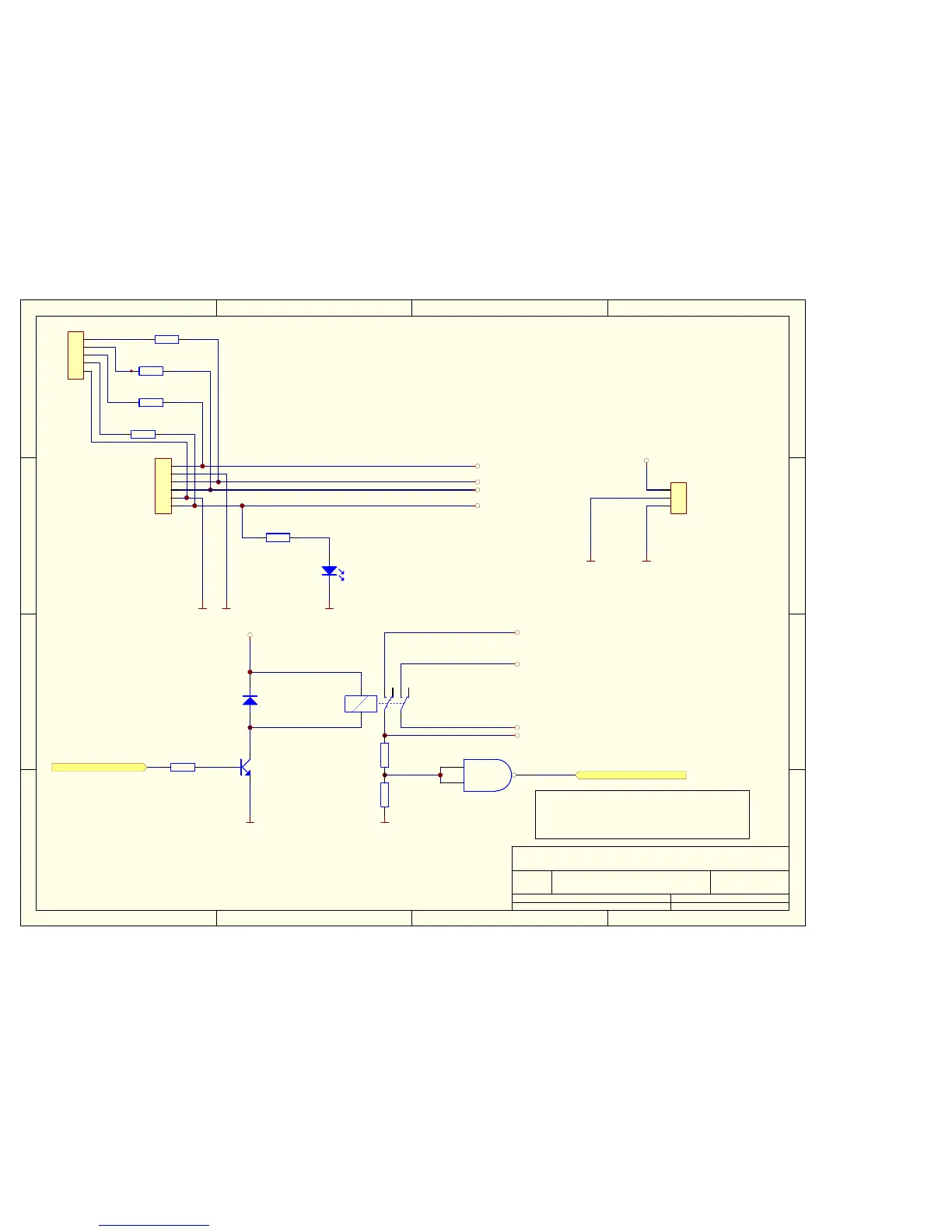
Douwe Egberts Contenta - Power Supply Input Circuit Diagram

Douwe Egberts Contenta
106 pages
Print Icon
To Next Page IconTo Next Page
To Next Page IconTo Next Page
To Previous Page IconTo Previous Page
To Previous Page IconTo Previous Page
Loading...
1 2 3 4
A
B
C
D
4321
D
C
B
A
Title
Number RevisionSize
Orcad A
Date: 30-Jan-2004 Sheet of
File: Cont_V24C.ddb Drawn By:
113
V2.4C810900
CONTENTA Powersupply Input
+5V
+11V
+11V
additional blower
+24V RET. CHECK
ENABLE SAFETY
+24V
GND
GNDGND
GNDGND GND
+24Vsup
+24Vret
+24Vsup
+19V75sup
+19V75sup
+19V75
GND
V4040
1N4002
V4030
LED3RED
1
1
2
2
3
3
CN3
JST B-3B-XHA
1 2
R5100
10k
1 2
R5110
10k
1 2
R5120
10k
1 2
R5130
10k
1 2
R5140
270
1 2
R5150
10k
1 2
R5170
10k
1 2
R5160
47k
12
13
11
D1020D
74HC00
12
5
3
4
8
6
7
G1010
RELAIS-E3208
1
2
3
4
5
CN4
NOCON
1
2
3
4
5
6
CN1
JST B6P-VH
2
1 3
V3000
BC547

Related product manuals