EasyManua.ls Logo

Druck TRX - Page 79

Default Icon
94 pages
Print Icon
To Next Page IconTo Next Page
To Next Page IconTo Next Page
To Previous Page IconTo Previous Page
To Previous Page IconTo Previous Page
Loading...
Unomat/TRXhb/TRXhb
78
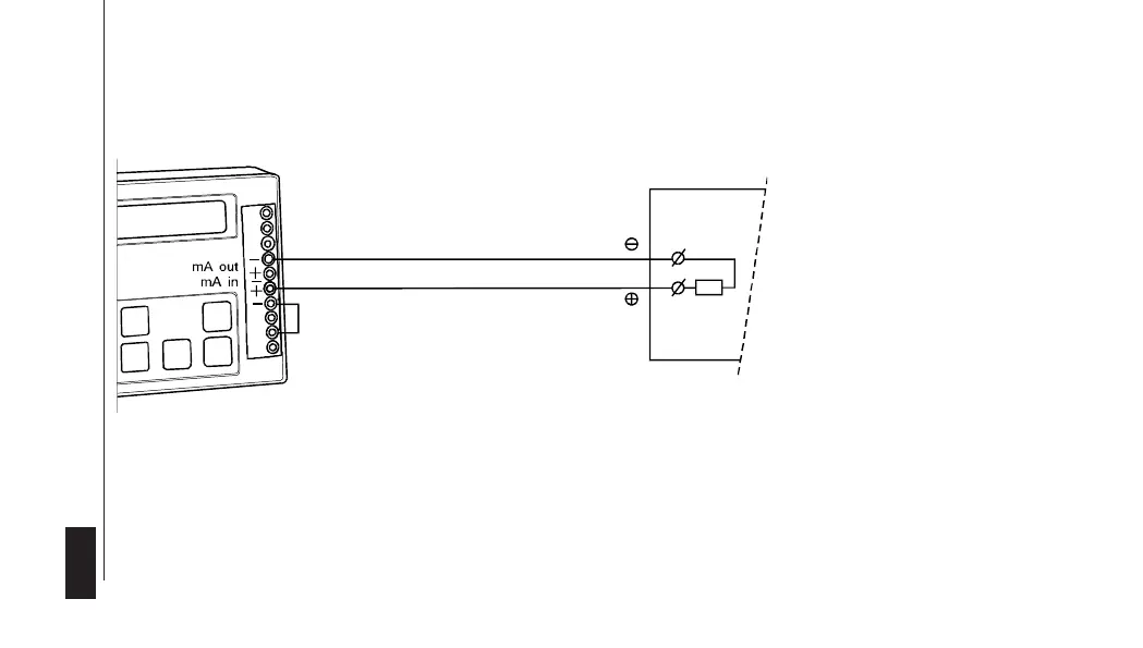
Diagramme 14
Sortie mA (source) avec
lecture courant
Diagramm 14
mA-Ausgang (mit Speisung) mit
Anzeige des Ausgangsstromes
Diagram 14
mA output (source) with current
read-out
Bornier non installé
Terminal block not installed Anschlußblock ist nicht installiert
Jumper, not for TRX-iS
Brücke, nicht für TRX-iS
Installer pont, ne pas pour TRX-IS
Receiver input
Empfänger Eingang
Entrée recépteur
Rmax. 900 Ohm (TRX-iS Rmax 600
Ω)

Table of Contents

Related product manuals