EasyManua.ls Logo

Dual XD5210 - Replacing Fuse; Wiring Diagram

Dual XD5210
16 pages
Print Icon
To Next Page IconTo Next Page
To Next Page IconTo Next Page
To Previous Page IconTo Previous Page
To Previous Page IconTo Previous Page
Loading...
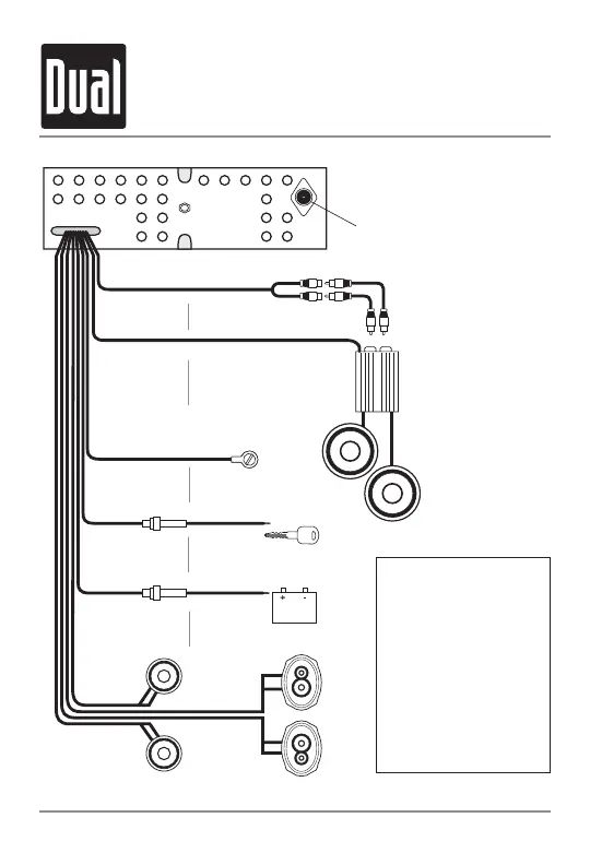
Antenna
Connector
RCA Cable
(sold separately)
Remote Turn-On
Connect to amplifier or power
antenna. Insulate wire if not used.
BLUE
Rear Preamp Output
Connect to amplifier RCA Input
GRAY
Ground
Connect to vehicle
chassis ground.
BLACK
.5 AMP
AGC Fuse
Accessory
Connect to existing ignition
circuit or switched 12 volt source.
RED
5 AMP
AGC Fuse
Memory
Connect to battery
circuit or constant 12 volt source.
YELLOW
Right Front
Gray/Black (-)
Gray (+)
Right Rear
Violet/Black (-)
Violet (+)
Left Front
White/Black (-)
White (+)
Left Rear
Green/Black (-)
Green (+)
XD5210 INSTALLATION
Wiring
Diagram
4
FUSES
When replacing fuses,
make sure new fuse is the
correct type and amperage.
Using an incorrect fuse
could damage the radio.
The XD5210 uses one .5
amp AGC fuse (Ignition)
and one 5 amp AGC fuse
(Battery) located in-line.
* CAUTION - Do not attach any speaker leads to ground as severe damage will occur.