EasyManua.ls Logo

Dufour 430 - Page 48

Dufour 430
92 pages
Print Icon
To Next Page IconTo Next Page
To Next Page IconTo Next Page
To Previous Page IconTo Previous Page
To Previous Page IconTo Previous Page
Loading...
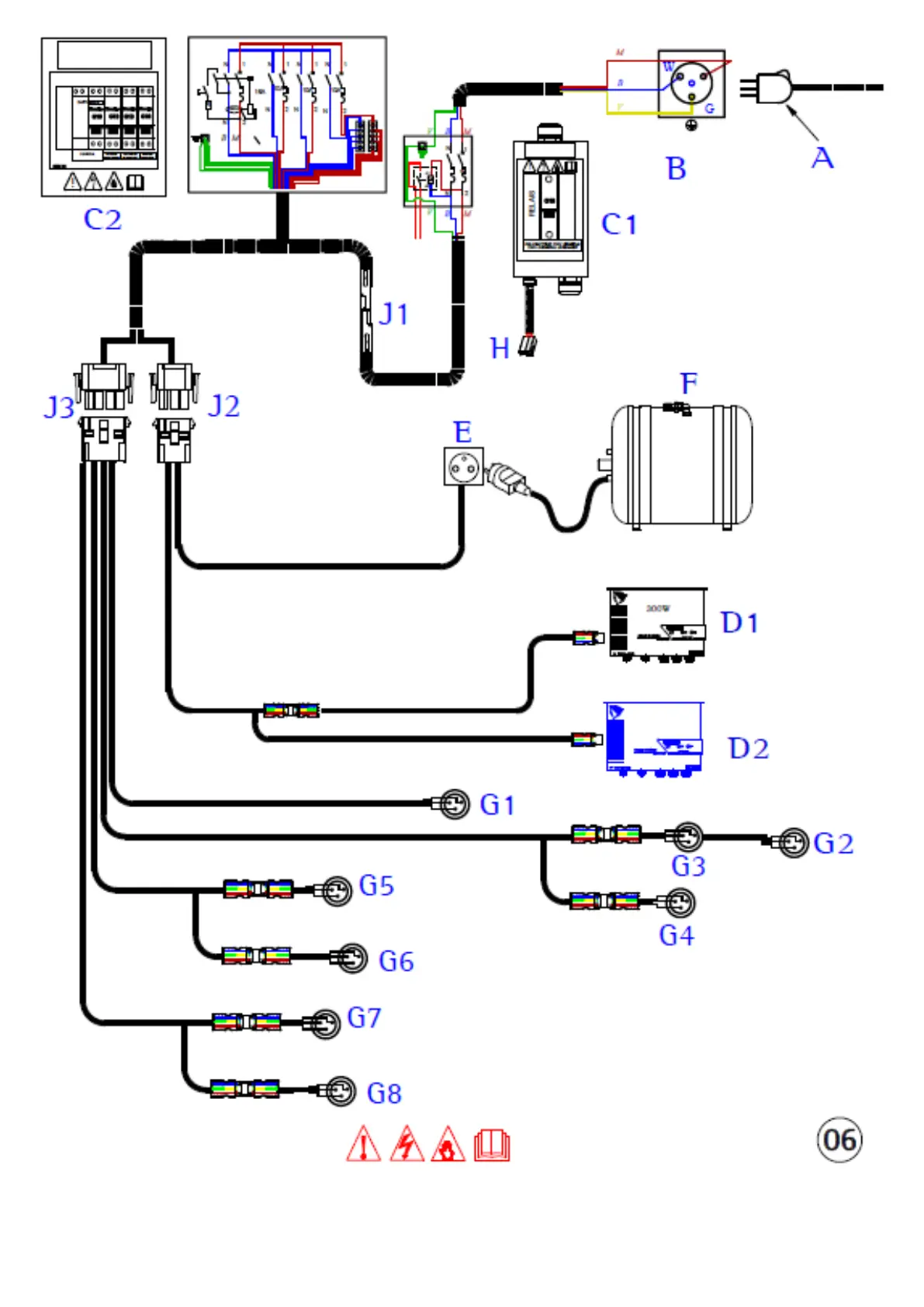
ENGLISH 26-02-2019 Page 48/92 DUFOUR 430 GRAND LARGE

Table of Contents

Related product manuals