EasyManua.ls Logo

Duke READYFLEX RFDU 22 - Wire Diagrams

Duke READYFLEX RFDU 22
28 pages
Print Icon
To Next Page IconTo Next Page
To Next Page IconTo Next Page
To Previous Page IconTo Previous Page
To Previous Page IconTo Previous Page
Loading...
25
RFDU Operator’s Manual
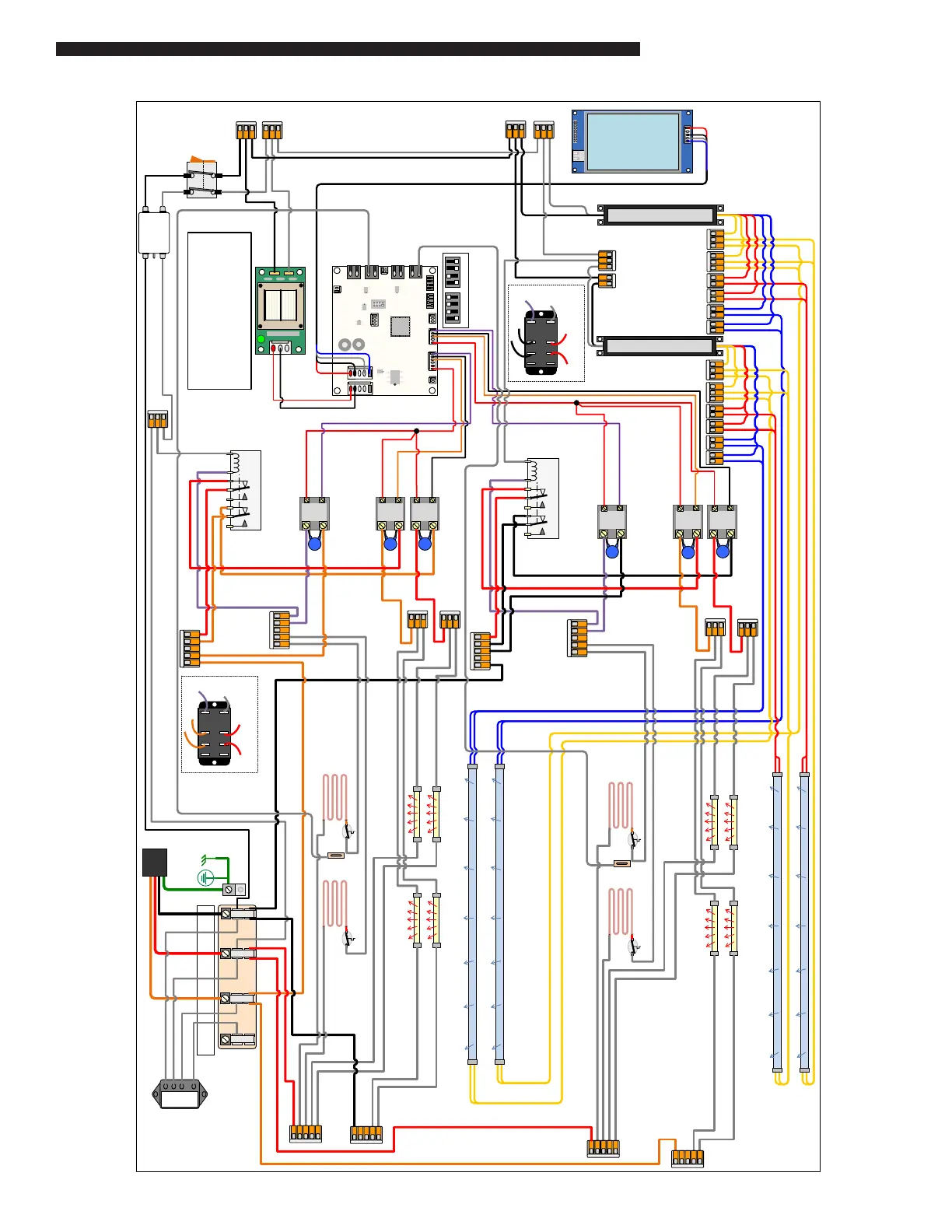
RFDU 22 WIRE DIAGRAM  Domestic
P16 P5
P4 P3
P15
P11 P13
P10
P12
P14
P1 P12
IO3
PCB
L1T1
SSR
+
L1T1
SSR
+
N.0.
N.C.
COIL
N.0.
N.C.
RTD Temp
Se nse
N
L3
L2
L1
Power
Switch
L1T1
SSR
+
DMX
Dis play
22 1 -61 3
22 1 -61 3
L1T1
SSR
+
L1T1
SSR
+
N.0.
N.C.
COIL
N.0.
N.C.
RTD Temp
Se nse
L1T1
SSR
+
22 1 -61 3
22 1 -61 3
22 1 -61 3
22 1 -61 322 1 -61 3
22 1 -61 3
22 1 -61 3
22 1 -61 3 22 1 -61 3
Light Ballast
Light Ballast
22 1 -61 3 22 1 -61 3
Wire Diagram 44"
Ready Flex Display Unit
(RFDU) Dom estic
ELC0659 Rev . B
BLK
RED
ORN
GRN
ORN
WHT
RED
BLK
BLK
W HT
RED
W HT
22 1 -61 5
22 1 -61 5
PUR
WHT
ORN
ORN
RED
RED
ORN
PUR
22 1 -61 5
RED
ORN
ORN
RED
WHT
WHT
IR 1L
IR 1R
IR 2L
IR 2R
Light BTM Right
Light BTM Left
Foil Heat 1
Foil Heat 2
WHT
BLK BLK
WHT
WHT
BLK
BLK
RED
RED
PUR
RED
ORN
RED
BLK
BLK
BLK
PUR
RED
RED
WHT
RED
BLK
PUR
PUR
RED
ORN
ORN
RED RED
BLK
BLK
BLU
BLU
BLU
BLU
RED
RED
RED
RED
YE L
YE L
YE L
YE L
BLU
BLU
RED
RED
YE L
YE L
RED
BLK
BLU
BLK
WHT
WHT
BLK
WHT
22 1 -61 3
BLK
W HT
RED
BLU
SW2 SW1
Dip Switch Setting
L IN E
LOAD
EMI
FILTER
WHT
BLK
SSR
FILTER
N.O.
N.C.
COM
COIL
WHT
PUR
RED
RED
BLK
BLK
Interlock Relay Wiring
N.O.
N.C.
COM
COIL
WHT
PUR
RED
RED
ORN
ORN
Interlock Relay Wiring
Foil Heat 1 Foil Heat 2
IR 1L IR 2L
IR 1R IR 2R
22 1 -61 5
Interlock
Relay
Interlock
Relay
RED
ORN
ORN
W HT
W HT
W HT
22 1 -61 5
22 1 -61 5
RED
22 1 -61 5
RED
BLK
BLK
22 1 -61 5
208/240V,
60Hz, 3~,
LINE SUPPLY

Related product manuals