EasyManua.ls Logo

Duke READYFLEX RFDU 22 - Page 28

Duke READYFLEX RFDU 22
28 pages
Print Icon
To Previous Page IconTo Previous Page
To Previous Page IconTo Previous Page
Loading...
Duke Manufacturing Co.
2305 N. Broadway
St. Louis, MO 63102
Phone: 314-231-1130
Toll Free: 1-800-735-3853
Fax: 314-231-5074
www.dukemfg.com
RFDU Operator’s Manual
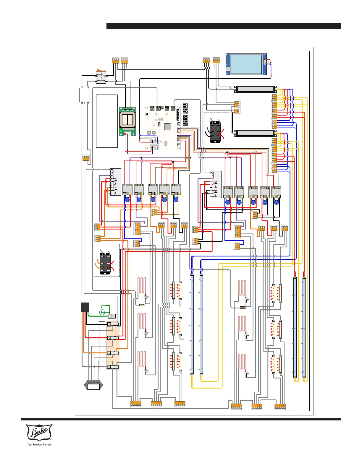
RFDU 23 WIRE DIAGRAM  International
P16 P5
P4 P3
P15
P11 P1 3
P10
P12
P14
P1 P12
IO3
PCB
P16 P5
P4 P3
P15
P11 P1 3
P10
P12
P14
P1 P12
IO3
PCB
L1T1
SSR
+
L1T1
SSR
+
L1T1
SSR
+
L1T1
SSR
+
L1T1
SSR
+
L1T1
SSR
+
L1T1
SSR
+
L1T1
SSR
+
221-613221-613
N.0.
N.C.
COIL
N.0.
N.C.
N.0.
N.C.
COIL
N.0.
N.C.
RTD Temp
Sense
N
L3
L2
L1
380 - 415V,
50H, 3N~
LINE SUPPLY
Power
Switch
L1T1
SSR
+
L1T1
SSR
+
DMX
Display
DMX
Display
221-615221-615
221-613221-613
221-613221-613
L1T1
SSR
+
L1T1
SSR
+
L1T1
SSR
+
L1T1
SSR
+
L1T1
SSR
+
L1T1
SSR
+
L1T1
SSR
+
L1T1
SSR
+
N.0.
N.C.
COIL
N.0.
N.C.
N.0.
N.C.
COIL
N.0.
N.C.
RTD Temp
Sense
221-613221-613
221-613221-613
L1T1
SSR
+
L1T1
SSR
+
221-613221-613
221-613221-613
221-613221-613
221-613221-613221-613221-613
221-613221-613
221-613221-613
221-613221-613 221-613221-613
Light BallastLight Ballast
Light BallastLight Ballast
221-613221-613 221-613221-613
Wire Diagram Ready
Flex Display Unit (RFDU)
International
ELC0584 Rev. D
BLK
RED
ORN
WHT
GRN
WHT
WHT
WHT
ORN
RED
RED
BLK
BLK
WHT
WHT
WHT
WHT
WHT
WHT
WHT
WHT
221-615221-615
221-615221-615
221-615221-615221-615221-615
221-615221-615
ORN
PUR
WHT
ORN
ORN
RED
RED
RED
BLU
ORN
PUR
RED
221-615221-615
221-613221-613
221-613221-613
221-613221-613
ORN
ORN
RED
ORN
BLK
WHT
WHT
WHT
IR 1L
IR 1R
IR 2L
IR 2R
IR 3L
IR 3R
Light BTM Right
Light BTM Left
Foil Heat 1
Foil Heat 2
Foil Heat 3
WHT
BLK BLK
WHT
WHT
BLK
BLK
RED RED
PUR
RED
PUR
RED
BRN
RED
ORN
RED
BLK
BLK
BLK
PUR
RED
RED
WHT
RED
RED
BLU
PUR
RED
BLK
PUR
PUR
RED ORN
RED
221-613221-613
BRN
RED
BLK
RED
BLK
RED BLK
BLK
BLK
BLU
BLU
BLU
BLU
RED
RED
RED
RED
YEL
YEL
YEL
YEL
BLU
BLU
RED
RED
YEL
YEL
RED
BLK
BLU
BLK
WHT
WHT
BLK
WHT
221-613221-613
BLK
221-613221-613
221-613221-613
WHT
WHT
RED
BLU
SW2 SW1
Dip Switch Setting
SW2 SW1
Dip Switch Setting
LINE
LOAD
EMI
FILTER
LINE
LOAD
EMI
FILTER
WHT
BLK
SSR
FILTER
N.O.
N.C.
COM
COIL
N.O.
N.C.
COM
COIL
WHT
PUR
RED
RED
BLK
BLK
Interlock Relay Wiring
N.O.
N.C.
COM
COIL
WHT
PUR
RED
RED
BLK
BLK
Interlock Relay Wiring
N.O.
N.C.
COM
COIL
N.O.
N.C.
COM
COIL
WHT
PUR
RED
RED
ORN
ORN
Interlock Relay Wiring
N.O.
N.C.
COM
COIL
WHT
PUR
RED
RED
ORN
ORN
Interlock Relay Wiring
Foil Heat 1 Foil Heat 2 Foil Heat 3
IR 1L IR 2L
IR 3L
IR 1R IR 2R IR 3R
221-615221-615
221-613221-613
Interlock
Relay
Interlock
Relay

Related product manuals