EasyManua.ls Logo

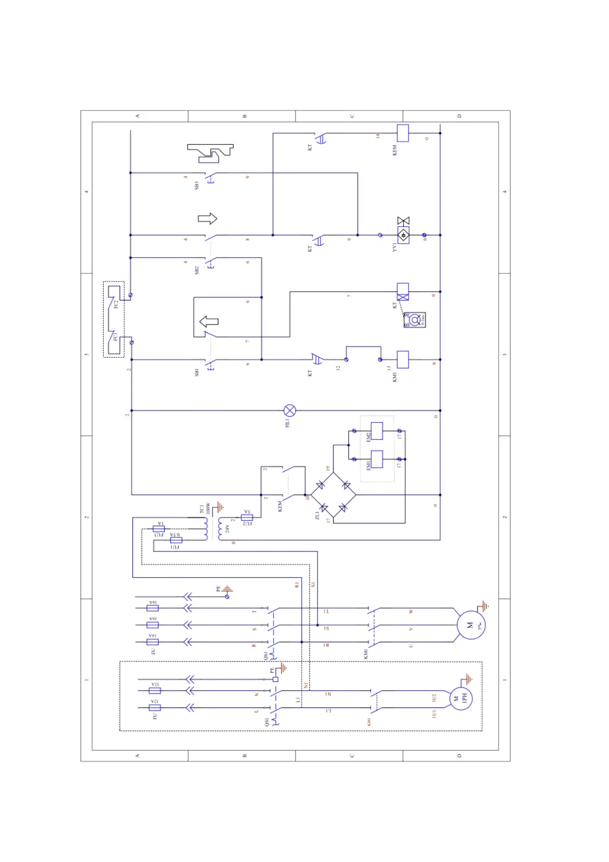
Dunlop DL240B+ - ELECTRICAL DIAGRAM 380 V - 3 PHASE

Dunlop DL240B+
40 pages
Print Icon
To Next Page IconTo Next Page
To Next Page IconTo Next Page
To Previous Page IconTo Previous Page
To Previous Page IconTo Previous Page
Loading...
35
8.4ELECTRICAL DIAGRAM 380V - 3 PH