EasyManua.ls Logo

EAE EE-6435B.WF - Annex2, Hydraulic Schemes and Parts List

EAE EE-6435B.WF
45 pages
Print Icon
To Next Page IconTo Next Page
To Next Page IconTo Next Page
To Previous Page IconTo Previous Page
To Previous Page IconTo Previous Page
Loading...
Installation, Operation and Parts Manual
EE-6435B .WF
30
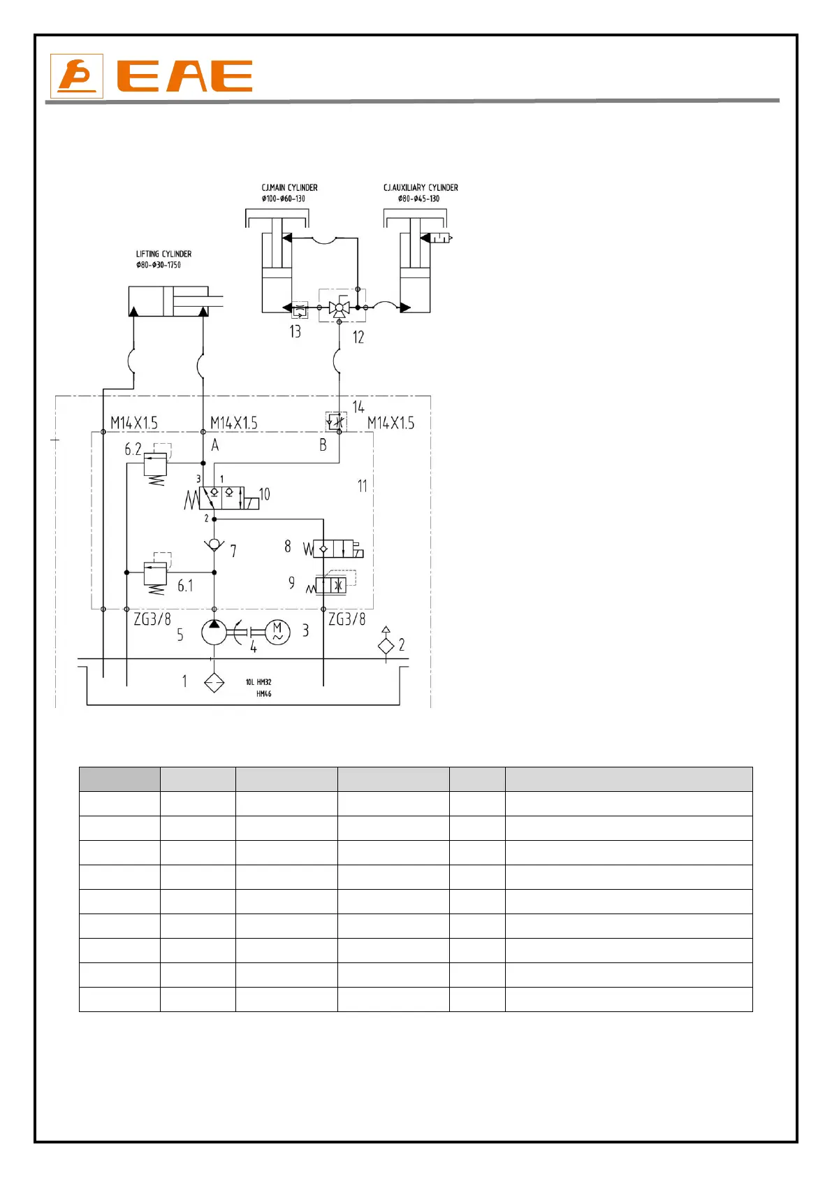
Annex2, Hydraulic schemes and parts list
Seal Rings
1
Oil tank
2
Oil tank cover
3
Motor
4
Coupling
5
Gear pump
6
Over-flow valve
7
Singe way valve
8
Solenoid unloading valve
9
Press supplementing valve
10
Three way directional valve
11
Hydraulic block
12
Three way valve
13
Tube connector
14
Throttle valve
15
Three way hydraulic block
16
Main oil cylinder
17
Main cylinder of the secondary lift
18
Second cylinder of the secondary lift
Seal Rings
CODE
Name
Specification
Qty
Category
1
207102026
KR seal ring
KR 80*64.5*6.3
1
Main oil cylinder
2
207102024
Y ring
UP 70*80*8
1
Main oil cylinder
3
207102025
Y ring
T601-30X40X8
1
Main oil cylinder
4
207105010
Dust proof ring
A1-30*38*7
1
Main oil cylinder
5
207103033
Piston Y seal ring
B7-100*85*9
2
Main oil cylinder of the secondary lift
6
207103023
Y seal ring
BS60*70*6
2
Main oil cylinder of the secondary lift
7
207105009
Dust proof ring
DHS6060*68*6
1
Main oil cylinder of the secondary lift
8
207102008
Piston Y seal ring
B7-80*65*9
1
Secondary oil cylinder of the secondary lift
9
207105008
Dust proof ring
DHS4545*53*6
1
Secondary oil cylinder of the secondary lift

Related product manuals