EasyManua.ls Logo

Eaton 9155 - Page 38

Eaton 9155
92 pages
Print Icon
To Next Page IconTo Next Page
To Next Page IconTo Next Page
To Previous Page IconTo Previous Page
To Previous Page IconTo Previous Page
Loading...
UPS-MOUNTED BYPASS SWITCH INSTALLATION
Eaton 9155 UPS (8–15 kVA) User's Guide S 164201553 Rev G (www.eaton.com/powerquality)
32
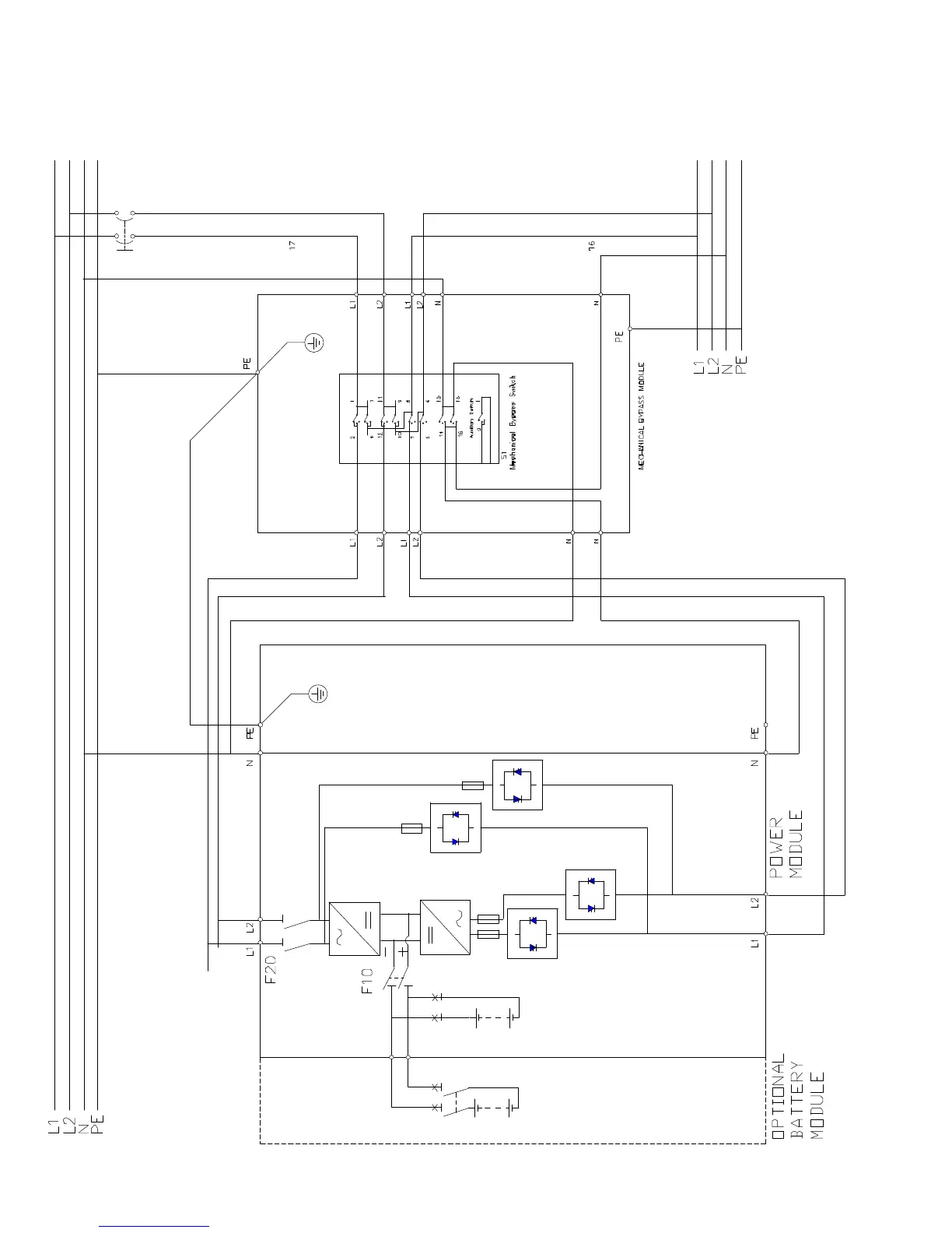
Figure 21. UPS with MBM Wiring Diagram

Table of Contents

Other manuals for Eaton 9155

Related product manuals