EasyManua.ls Logo

Eaton EASY-E4-UC-12RCX1 - Figure 20: Inductive Load with Suppressor Circuit

Eaton EASY-E4-UC-12RCX1
621 pages
Print Icon
To Next Page IconTo Next Page
To Next Page IconTo Next Page
To Previous Page IconTo Previous Page
To Previous Page IconTo Previous Page
Loading...
2. Installation
2.4 Connection terminals
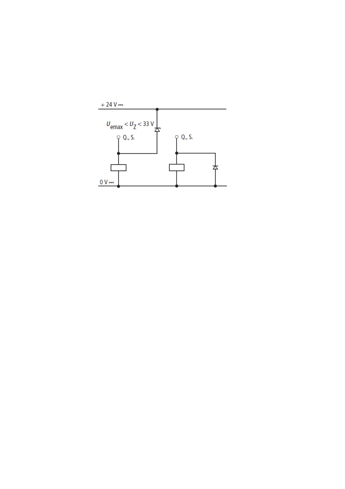
more than one driven output with an inductive load can be switched off, you must
provide these inductive loads with a suppressor circuit.
Figure 20: Inductive load with suppressor circuit
56
easyE4 11/18 MN050009 EN www.eaton.com

Table of Contents

Other manuals for Eaton EASY-E4-UC-12RCX1

Related product manuals