EasyManua.ls Logo

Eaton Powerware 9155 - Page 22

Eaton Powerware 9155
90 pages
Print Icon
To Next Page IconTo Next Page
To Next Page IconTo Next Page
To Previous Page IconTo Previous Page
To Previous Page IconTo Previous Page
Loading...
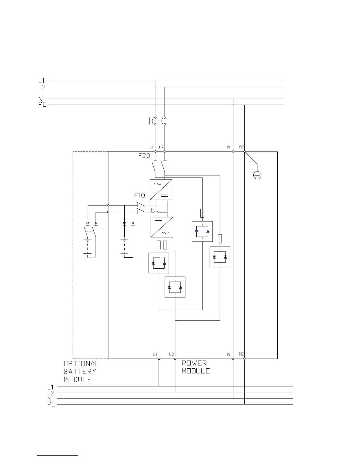
UPS ONLY INSTALLATION
EATON Powerware
®
9155 UPS (8–15 kVA) User’s Guide S 164201553 Rev F www.powerware.com
16
Figure 8. UPS Only Wiring Diagram

Table of Contents

Other manuals for Eaton Powerware 9155

Related product manuals