EasyManua.ls Logo

Eaton Powerware 9155 - UPS Wiring Diagram

Eaton Powerware 9155
90 pages
Print Icon
To Next Page IconTo Next Page
To Next Page IconTo Next Page
To Previous Page IconTo Previous Page
To Previous Page IconTo Previous Page
Loading...
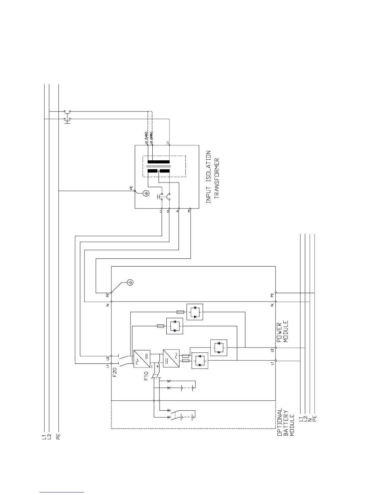
INPUT ISOLATION TRANSFORMER INSTALLATION
EATON Powerware
®
9155 UPS (8–15 kVA) User’s Guide S 164201553 Rev F www.powerware.com
22
Figure 12. UPS with Input Isolation Transformer Wiring Diagram

Table of Contents

Other manuals for Eaton Powerware 9155

Related product manuals