EasyManua.ls Logo

Eaton Powerware 9155 - Page 47

Eaton Powerware 9155
90 pages
Print Icon
To Next Page IconTo Next Page
To Next Page IconTo Next Page
To Previous Page IconTo Previous Page
To Previous Page IconTo Previous Page
Loading...
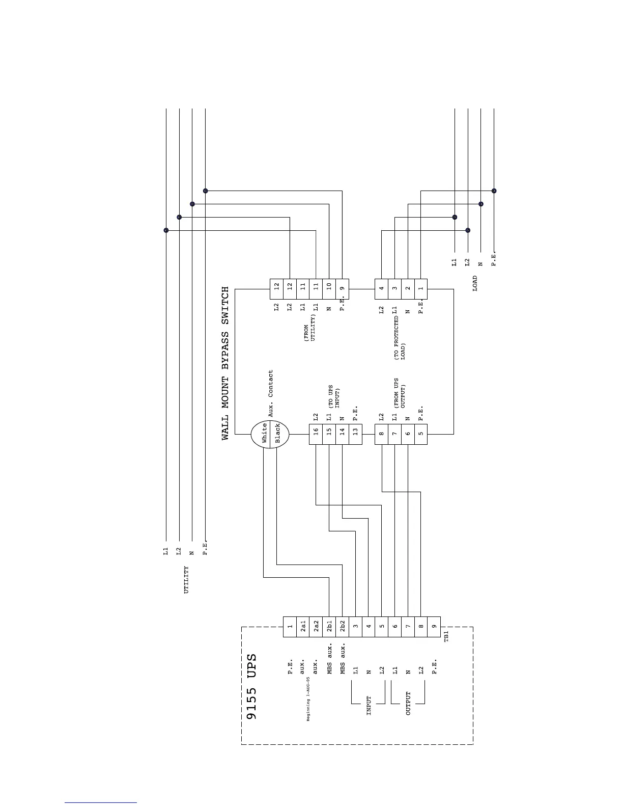
WALL-MOUNTED BYPASS SWITCH INSTALLATION
EATON Powerware
®
9155 UPS (8–15 kVA) User’s Guide S 164201553 Rev F www.powerware.com
41
Figure 29. UPS with Wall-Mounted Bypass Switch Wiring Diagram

Table of Contents

Other manuals for Eaton Powerware 9155

Related product manuals