EasyManua.ls Logo

EBARA EV-S200P - Page 51

EBARA EV-S200P
113 pages
Print Icon
To Next Page IconTo Next Page
To Next Page IconTo Next Page
To Previous Page IconTo Previous Page
To Previous Page IconTo Previous Page
Loading...
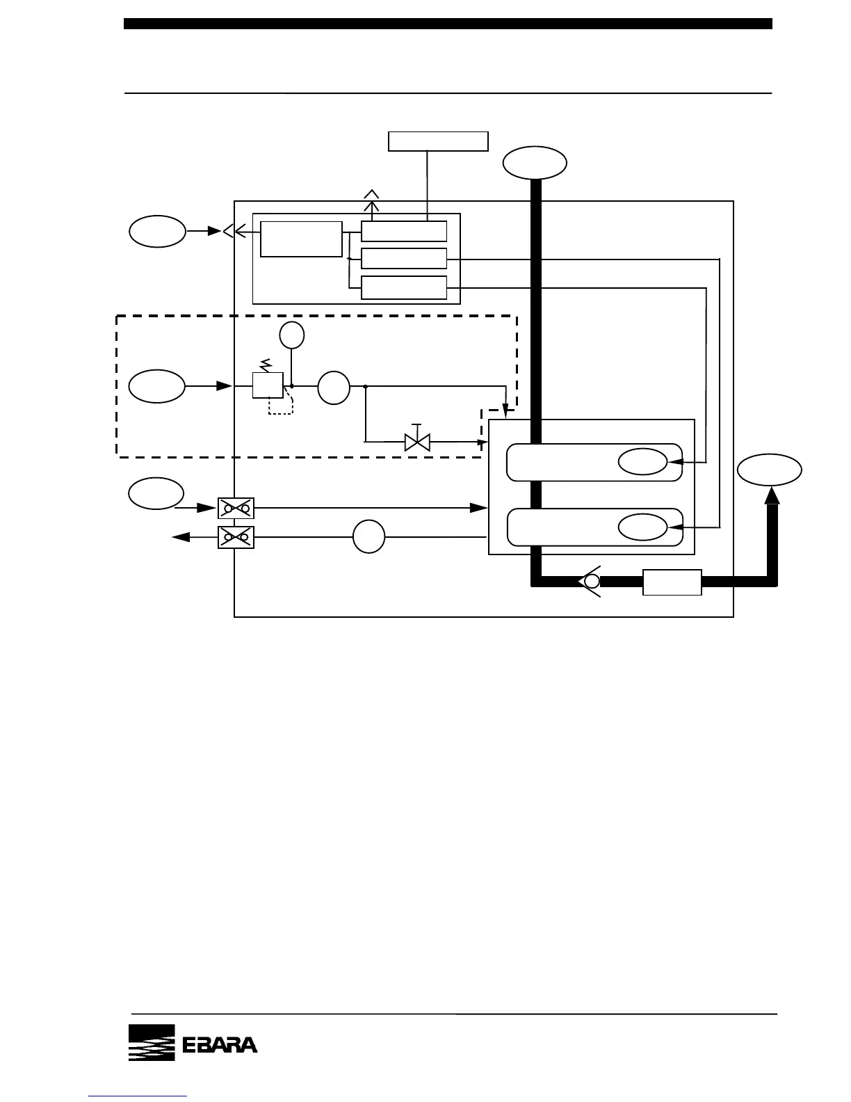
P.32
Check Valve
Power
Gas Inlet
Control Circuit
Gas Outlet
Pump N
2
Gas Flow Sensor
N
2
Selector Valve
Pressure Gauge
P
Regulator
N
2
Gas
Motor Driver 1
Motor 1
Main Pump
(MP
Motor Driver 2
Control
Connector
Circuit
Protector
LCD Controller
Cooling Water Flow Seneor
Water
FT2
FT1
Booster Pump
(BP)
Motor 2
Silencer
* The MODEL EV-S20 pump is supplied without a booster pump (BP).
Figure 3.5 System Flow
P&N
PM10U
EBARA
CORPORATION

Table of Contents

Related product manuals