EasyManua.ls Logo

EdgeStar BIDW1802 - Wiring Diagram

EdgeStar BIDW1802
39 pages
Print Icon
To Next Page IconTo Next Page
To Next Page IconTo Next Page
To Previous Page IconTo Previous Page
To Previous Page IconTo Previous Page
Loading...
37
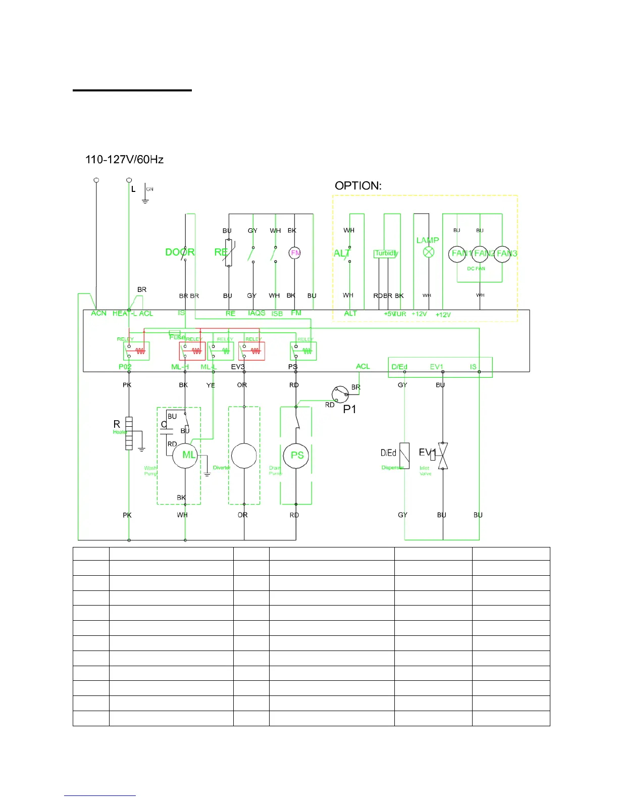
Wiring Diagram
WARNING: Disconnect electrical power before servicing.
Caution: Label or take pictures of all wires prior to disconnection. Wiring errors can
cause improper and dangerous operation. Verify operation after servicing.
Code
Designation
Code
Designation
Code
Designation
ACL
Live(Alternating Current)
ISS
Salt Detector
BU
Blue
ACN
Neutral (Alternating Current)
ML
Wash Pump
YE
Yellow
Ground
Capacitor
GN
Green
D/Ed
Dispenser
PS
Drain Pump
WH
White
EV1
Inlet Valve
FAN
Fan
RD
Red
EV3
Water Diverter
FUSE
Fuse(3.15A)
BK
Black
IAQS
Overflow Switch
R
Heater
PK
Pink
FM
Flow Meter
DOOR
Door Switch
GY
Gray
P2
Dry Heating Protect Switch
IS
Door Switch Detector
OR
Orange
P1
Water Level Switch (140/120)
RE
Temperature sensor(NTC)
BR
Brown
ISB
Rinse Aid Detector
NS
Nephelometer / Turbidity Sensor
PU
Purple

Related product manuals