EasyManua.ls Logo

EDWARDS SYSTEMS TECHNOLOGY EST2 - Page 82

Default Icon
120 pages
Print Icon
To Next Page IconTo Next Page
To Next Page IconTo Next Page
To Previous Page IconTo Previous Page
To Previous Page IconTo Previous Page
Loading...
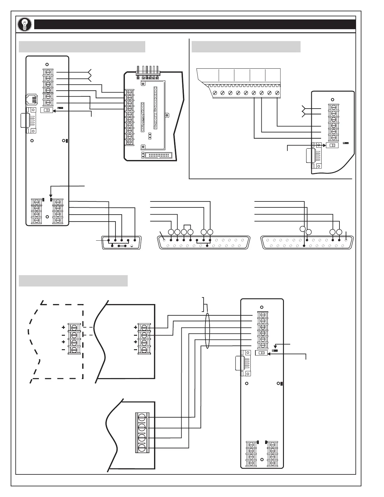
APPLICATION DRAWINGS
SMOKE/AUX
POWER
TB3
NAC
POWER
2-PPS
IOP3A
IOP3A
CM Motherboard
TB3
NAC
POWER
NAC
POWER
2-PPS/6A
JB1 on 1-2
Power Limited
Not supervised
NOTE: The RTS line is
connected only when the
IOP3A is used in Select
Mode.
JB2 INSTALLED
(PROVIDES 12V TO POWER MODEM)
+24 VDC
COMMON
DOWNLOAD CONFIGURATION
DB-9 FEMALE
PIN 1
JUMPER 7-8
JUMPER 1,4,6
GREEN
BLACK
RED
WHITE
1
2
3
4
5
6
7
8
9
10
TB1
P1
P3
P4
P7
J2
J1
IOP3A to CM motherboard wiring IOP3A to 3-CPU1 wiring
IOP3A to 2-MCM(N) wirng
NOTE: The IOP3A
must be configured
in supervision mode.
Switch shown in
UP position.
Switch shown in
UP position.
RS-232
2-MCM(N)
TXD
RXD
RTS
COM
P/N: 270758 REV: 1.0 Page 2 of 2
TB1
1 23456
RS232 #1 OUT
RS232 #2 OUT
3
2
1
JB1
JB4
TB2
TB3
SW1
UP
PROGRAM
+-
24VDC
SUPV
OUT
SUPV
SUPV
COM
COM
COM
RXD
IN
RXD
RXD
TXD
OUT
TXD
TXD
1234
1234
RS232 IN
JB2
JB3
TB1
1 23456
RS232 #1 OUT
RS232 #2 OUT
3
2
1
JB1
JB4
TB2
TB3
SW1
UP
PROGRAM
+-
24VDC
SUPV
OUT
SUPV
SUPV
COM
COM
COM
RXD
IN
RXD
RXD
TXD
OUT
TXD
TXD
1234
1234
JB2
JB3
Note:
When in RDU mode,
TB2 on the IOP3A must
be used for the modem and
TB3 must be used for a
printer.
DOWNLOAD CONFIGURATION
DB-25 FEMALE
PIN 1
GREEN
BLACK
RED
WHITE
JUMPER 4-5
JUMPER 6, 8, 20
2345 78
PRINTER CONFIGURATION
DB-25 MALE
GREEN
BLACK
RED
WHITE
237
20
PIN 1
Switch shown in
UP position.
24 Vdc
IOP3A
TB1
1 23456
3
2
1
JB1
SW1
UP
PROGRAM
+-
24VDC
SUPV
OUT
COM
RXD
IN
TXD
OUT
TB2
R
X
111
T
X
R
T
S
2122
C
X
O
M
R
R
T
X
T
S
2
C
O
M
3-CPU1 Panel controller
Technical Manuals Online! - http://www.tech-man.com
firealarmresources.com

Table of Contents

Other manuals for EDWARDS SYSTEMS TECHNOLOGY EST2