EasyManua.ls Logo

Edwards EXT Series - Cross-Section View of EXT255 H Pump

Edwards EXT Series
44 pages
Print Icon
To Next Page IconTo Next Page
To Next Page IconTo Next Page
To Previous Page IconTo Previous Page
To Previous Page IconTo Previous Page
Loading...
B753-03-880 Issue F
Page 4 © Edwards Limited 2008. All rights reserved.
Edwards and the Edwards logo are trademarks of Edwards Limited.
Introduction
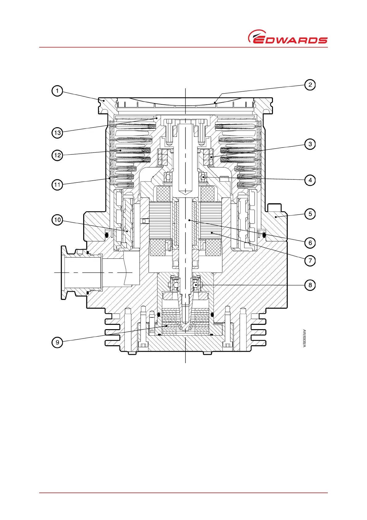
Figure 1 - Cross-section view of EXT255H pump
1. Inlet-flange
2. Inlet-screen
3. Magnetic bearing
4. Safety bearing
5. Envelope
6. Shaft
7. DC motor
8. Ball bearing
9. Oil reservoir
10.Drag stage
11.Spacer ring
12.Stator
13.Rotor

Table of Contents

Related product manuals