EasyManua.ls Logo

Edwards EXT Series - Typical Pumping System with an EXT255 H Pump

Edwards EXT Series
44 pages
Print Icon
To Next Page IconTo Next Page
To Next Page IconTo Next Page
To Previous Page IconTo Previous Page
To Previous Page IconTo Previous Page
Loading...
B753-03-880 Issue F
Page 16 © Edwards Limited 2008. All rights reserved.
Edwards and the Edwards logo are trademarks of Edwards Limited.
Installation
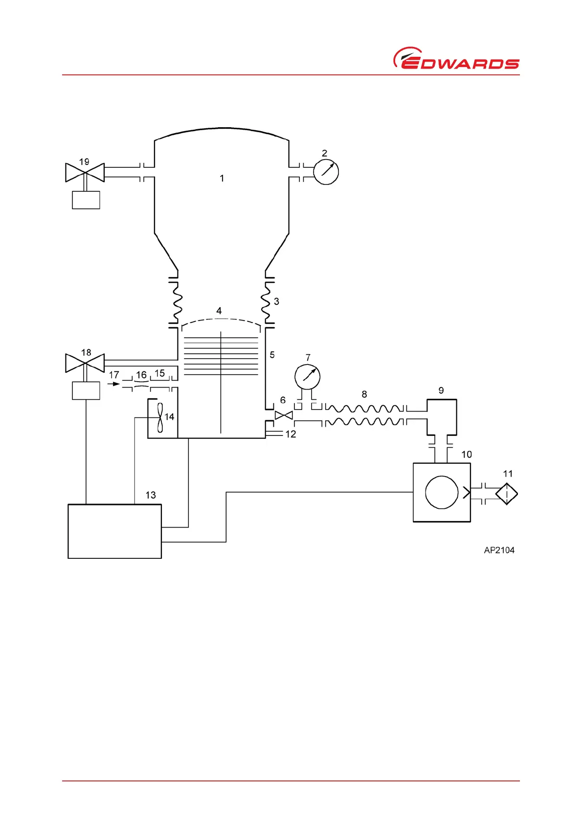
Figure 6 - Typical pumping system with an EXT255H pump
1. Vacuum system
2. High-vacuum gauge
3. Vibration isolator
4. Inlet-screen
5. EXT pump
6. Backing valve
7. Vacuum
8. Flexible bellows
9. Foreline trap
10.Rotary backing-pump
11.Mist filter
12.Cooling-water connectors
13.EXC controller
14.Air-cooler
15.Vent port adaptor
16.PRX10 purge restrictor
17.Regulated purge gas supply
18.Vent-valve
19.Alternative position for vent-valve

Table of Contents

Related product manuals