EasyManua.ls Logo

Edwards EXT Series - Ext255 Hvi Dimensions (MM)

Edwards EXT Series
44 pages
Print Icon
To Next Page IconTo Next Page
To Next Page IconTo Next Page
To Previous Page IconTo Previous Page
To Previous Page IconTo Previous Page
Loading...
© Edwards Limited 2008. All rights reserved. Page 13
Edwards and the Edwards logo are trademarks of Edwards Limited.
Technical data
B753-03-880 Issue F
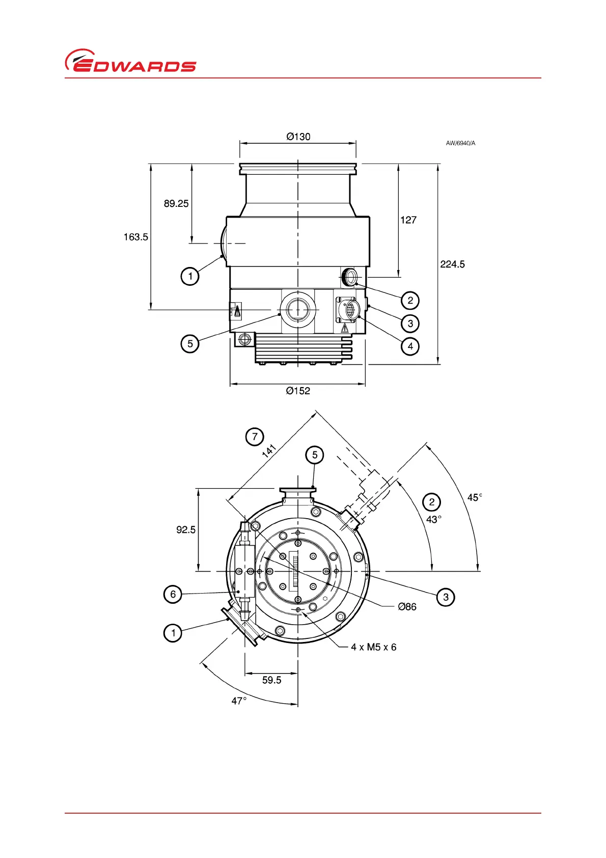
Figure 5 - EXT255HVi dimensions (mm)
5. Backing-port
6. Cooling-water connectors
7. Allowance for right-angle cable connector
1. Interstage-port
2. Vent-valve
3. Purge-port
4. Electrical supply connector

Table of Contents

Related product manuals