EasyManua.ls Logo

Elenco Electronics M-2665K - Schematic Diagram

Elenco Electronics M-2665K
36 pages
Print Icon
To Next Page IconTo Next Page
To Next Page IconTo Next Page
To Previous Page IconTo Previous Page
To Previous Page IconTo Previous Page
Loading...
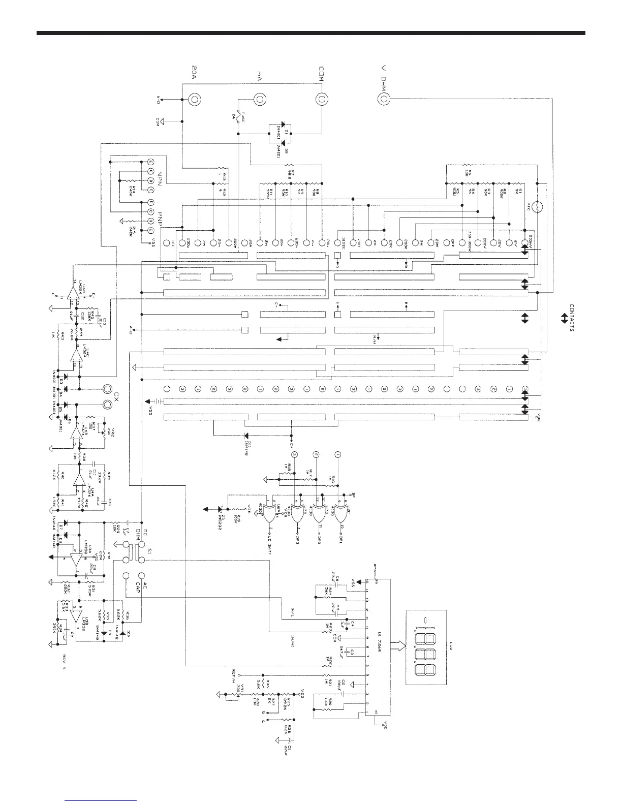
SCHEMATIC DIAGRAM
-33-

Related product manuals