EasyManua.ls Logo

Elenco Electronics M-2665K - Pin Configuration

Elenco Electronics M-2665K
36 pages
Print Icon
To Next Page IconTo Next Page
To Next Page IconTo Next Page
To Previous Page IconTo Previous Page
To Previous Page IconTo Previous Page
Loading...
-5-
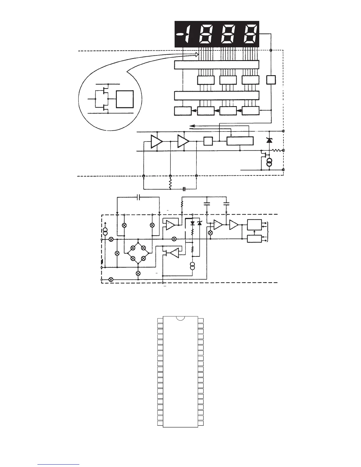
Figure 6 7106R Functions
a
b
a
b
c
d
e
f
g
TYPICAL SEGMENT OUTPUT
0.5mA
2mA
V+
Segment
Output
Internal Digital Ground
LCD PHASE DRIVER
LATCH
7 Segment
Decode
7 Segment
Decode
7 Segment
Decode
Thousand
Hundreds
Tens Units
*
CLOCK
To Switch Drivers
From Comparator Output
-4
LOGIC CONTROL
Internal Digital Ground
200
BACKPLANE
20
V+
TEST
V
500W
4
15
6.2V
1V
* Three inverters.
One inverter shown for clarity.
1
2
3
OSC 1
OSC 2
OSC 3
DIGITAL SECTION
ANALOG SECTION of 7106R
C
REF
R
INT
C
AZ
C
INT
INT
C
REF
+
REF HI
REF LO
C
REF
BUFFER
V+
14
75 6
8
13
12
40
AUTO
ZERO
+
A-Z &
Z1
A-Z &
Z1
A-Z
DE (+)
DE (+)
DE (-)
DE (-)
IN HI
COMMON
IN LO
9
10
INT
10mA
V+
11
INT
+
+
+
2.8V
A-Z & DE(+
)
& Z1
15
V
Z1
6.2V
A-Z
COMPARATOR
ZERO
CROSSING
DETECTOR
POLARITY
FLIP/FLOP
TO
DIGITAL
SECTION
INTEGRATOR
7106R Pin Connections
1
2
3
4
5
6
7
8
9
10
11
12
13
14
15
16
17
18
19
20
40
39
38
37
36
35
34
33
32
31
30
29
28
27
26
25
24
23
22
21
OSC 1
OSC 2
OSC 3
TEST
REF HI
REF LO
+ REF CAP
– REF CAP
COMMON
INPUT HI
INPUT LO
AUTO-ZERO
BUFFER
INTEGRATOR
(–) SUPPLY
G (TENS)
C (100’s)
A (100’s)
G (100’s)
BACKPLANE
(7106R)
POLARITY
(MINUS)
AB (1000)
E (100’s)
F (100’s)
B (100’s)
D (100’s)
E (TENS)
F (TENS)
A (TENS)
B (TENS)
C (TENS)
D (TENS)
E (UNITS)
G (UNITS)
F (UNITS)
A (UNITS)
B (UNITS)
C (UNITS)
D (UNITS)
(+) SUPPLY
Pin Configuration
7106R
a
b
c
d
e
f
g
a
b
c
d
e
f
g

Related product manuals