EasyManua.ls Logo

ELFON OPTIMA SL255 - Safety Principles

Default Icon
56 pages
Print Icon
To Next Page IconTo Next Page
To Next Page IconTo Next Page
To Previous Page IconTo Previous Page
To Previous Page IconTo Previous Page
Loading...
terminates the conducted talk within 30 seconds, dialling will take place automatically. In case of failure of
communication between the modules or it is completely interrupted,having selected a flat number, the
following message appears "Try again".
7 . Safety principles during installation and operation
Before opening the panel housing, disconnect the power supply.
Before any attempt to connect external system elements to terminals of the panel, check the
connection correctness (correct terminals, polarity, etc.).
Avoid short-circuits between the panel terminals
Do not expose the panel to chemical substances that could react with metals, plastics, etc.
Apply general safety procedures during installation.
Having selected in the menu SETTINGS->DEFAULT SETTINGS ->DEFAULT ALL SETTINGS, panel settings are
as follows:
§ default numeration 1 - 255,
§ default service code (generated based on the serial number),
§ default general codes (generated based on the serial number),
§ default individual codes (generated based on the serial number),
§ no service RF tags,
§ no general RF tags,
§ no individual RF tags,
Remaining default settings:
50
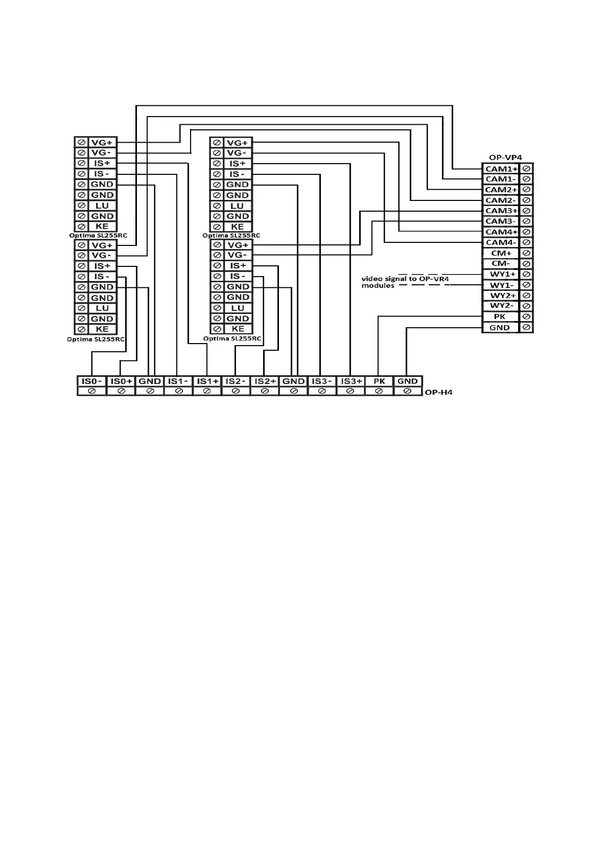
Figure 24: Video line and data line connection between OptimaSL255RC panels and OP-VP4 and OP-H4 modules

Table of Contents