EasyManua.ls Logo

Emerson 2202 - Page 102

Emerson 2202
200 pages
Print Icon
To Next Page IconTo Next Page
To Next Page IconTo Next Page
To Previous Page IconTo Previous Page
To Previous Page IconTo Previous Page
Loading...
Menu 7 Introduction
Parameter
x.00
Parameter
description format
Keypad and
display
Serial
communications
CT Modbus
RTU
PLC Ladder
programming
CTSoft Menu 0
Advanced parameter
descriptions
102 Commander SK Advanced User Guide
www.controltechniques.com Issue Number: 9
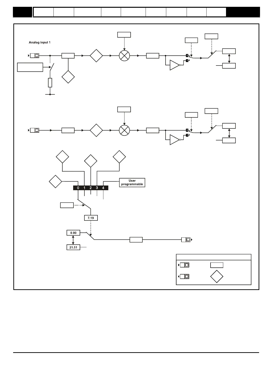
Figure 10-17 Menu 7 logic diagram
T2
7.06
Mode
7.01
Monitor (%)
7.28
Current loop
loss indicator
7.08
Scaling
x(-1)
7.09
Invert
7.10
Destination
0.00
21.51
Default
detination
Pr
1.36
Analog
reference 1
T4
7.11
Mode
7.02
Monitor (%)
Analog input 2
7.12
Scaling
x(-1)
7.13
Invert
7.14
Destination
0.00
21.51
Default
detination
Pr
1.37
Analog
reference 2
7.30
Offset
7.31
Offset
200R
0V
Source
Default source
Pr
2.01
Motor speed
7.20
Scaling
B1
2.01
Post ramp ref
Output power
Current
magnitude
XX
XX
Key
Read-write
(RW)
parameter
Read-only (RO)
parameter
Input
terminals
Output
terminals
XX
XX
Current mode
and protection
7.33
Analog
output control
+
+
4.02
Motor
active
current
4.01
5.03

Table of Contents

Related product manuals