EasyManua.ls Logo

Emerson 2202 - Menu 0 Logic Diagram

Emerson 2202
200 pages
Print Icon
To Next Page IconTo Next Page
To Next Page IconTo Next Page
To Previous Page IconTo Previous Page
To Previous Page IconTo Previous Page
Loading...
Introduction
Parameter
x.00
Parameter
description format
Keypad and
display
Serial
communications
CT Modbus
RTU
PLC Ladder
programming
CTSoft
Menu 0
Advanced parameter
descriptions
32 Commander SK Advanced User Guide
www.controltechniques.com Issue Number: 9
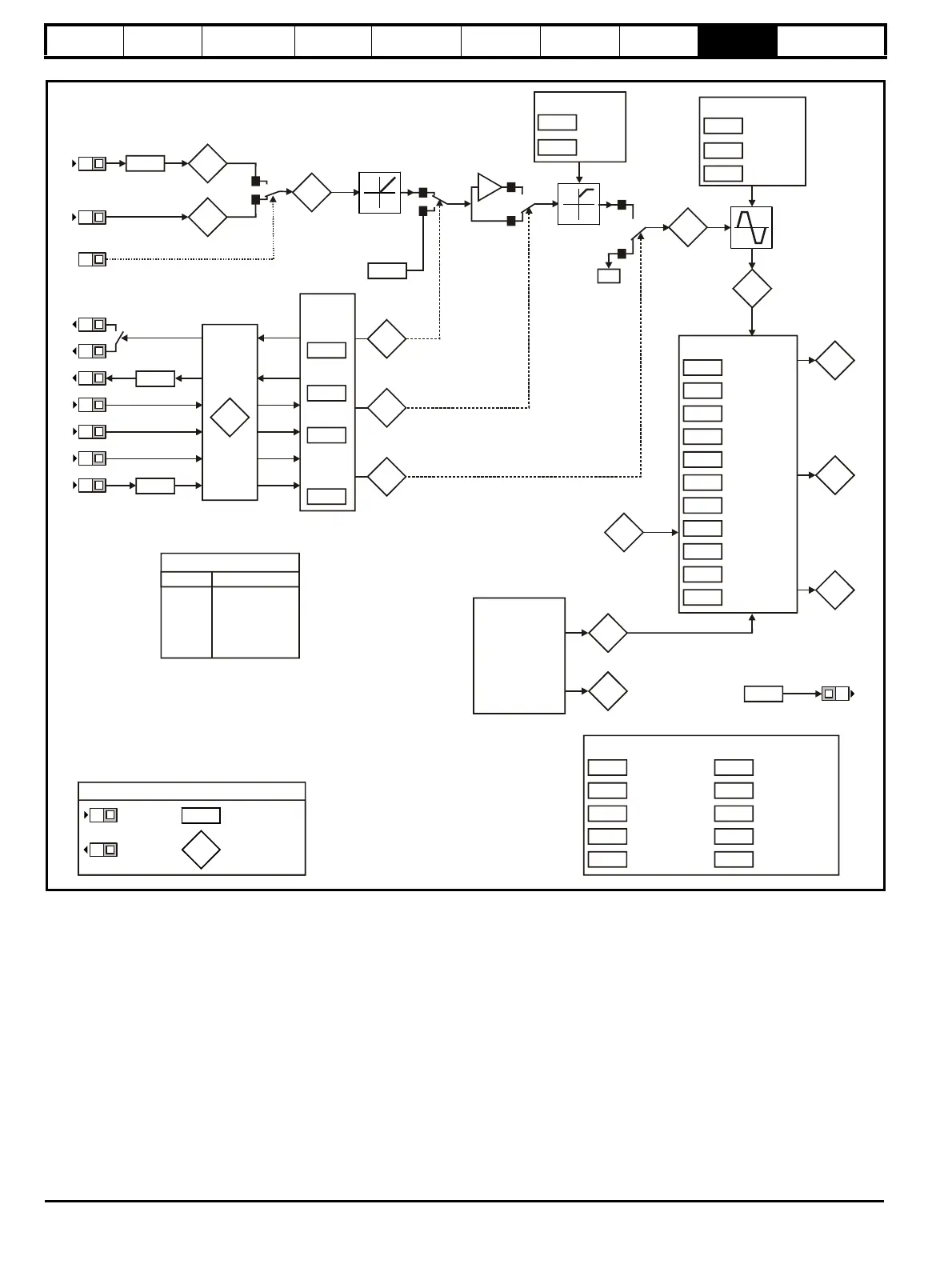
Figure 9-1 Menu 0 logic diagram
Analog inputs
94
95
81
Analog input 1 (%)
Analog input 2 (%)
Digital I/O
XX
Digital I/O
Read
word
Pr
90
Sequencer
92
93
91
Jog
selected
Reverse
selected
Reference
on
1
0
0
1
0
1
0Hz
82
Pre-ramp
reference (Hz)
84
DC bus
voltage
42
41
40
39
38
37
32
09
08
07
06
Motor rated
current
Motor rated
speed
Motor rated
voltage
Motor power
factor
Variable torque
select
Switching
frequency
Autotune
Motor rated
frequency
No. of poles
Voltage
mode select
Voltage
boost
Motor control
03
Acceleration
rate
Deceleration
rate
Ramps
02
01
Minimum
speed
Maximum
speed
Speed clamps
83
Post-ramp
reference
(Hz)
85
Motor
frequency
86
Motor
voltage
87
Motor
speed
rpm
88
89
Motor active
current
Motor current
Current
measurement
15
Jog
reference
Digital I/O read word Pr
90
Terminal Binary value for XX
B3 1
B4 2
B5 4
B6 8
B7 16
T5/T6 64
Reference
selected (Hz)
04
T2
T4
T6
T5
B3
B4
B5
B6
B7
XX
XX
Key
Read-write
(RW)
parameter
Read-only (RO)
parameter
Input
terminals
Output
terminals
XX
XX
11
12
Start/stop
logic select
Brake
enable
31
Stopping
mode
Ramp mode
30
0
1
16
Analog 1
input
mode
35
Digital output
function
34
Mode select
33
Catch a
spinning
motor
select
X-1
29
28
27
25
24
23
22
18 to 21
17
10
Parameter
access
Enable negative
preset speeds
Preset speeds
Load display
units
Speed display
units
Customer
defined scaling
Security access
Power-up
keypad reference
Parameter
cloning
Parameter
default
Other parameters
B1
36
Analog
output
function
Analog
output
B7

Table of Contents

Related product manuals