EasyManua.ls Logo

Emerson 2202 - Page 110

Emerson 2202
200 pages
Print Icon
To Next Page IconTo Next Page
To Next Page IconTo Next Page
To Previous Page IconTo Previous Page
To Previous Page IconTo Previous Page
Loading...
Menu 8 Introduction
Parameter
x.00
Parameter
description format
Keypad and
display
Serial
communications
CT Modbus
RTU
PLC Ladder
programming
CTSoft Menu 0
Advanced parameter
descriptions
110 Commander SK Advanced User Guide
www.controltechniques.com Issue Number: 9
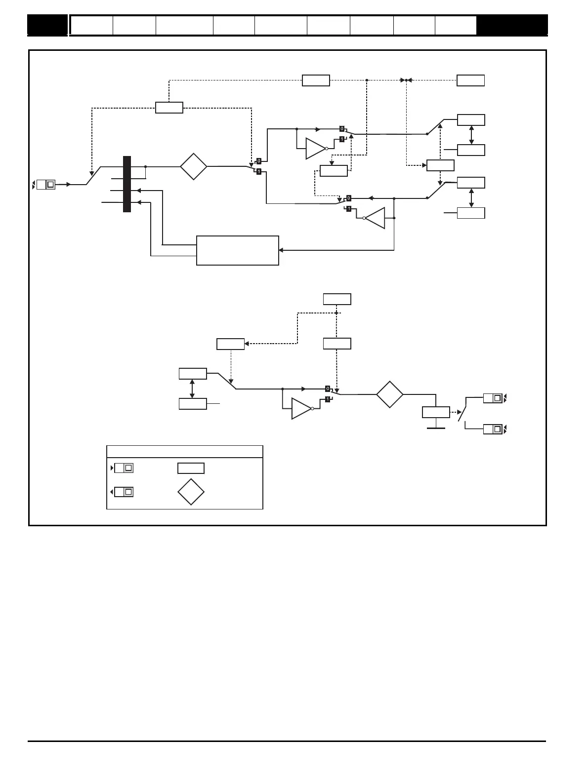
Figure 10-18 Menu 8A logic diagram
1
2
3
0
B3
8.01
1.01
21.51
0.00
21.51
Menu 3
Frequency or PWM output
Terminal B3
function select
PWM
Terminal B3
digital
input/Ouput state
Brake controller
enable
8.31
12.41
8.41
Digital output control
(Terminal B3)
8.11
Invert
Frequency
1.01
21.51
0.00
21.51
8.21
Terminal B3
Source/
Destination
Default source
Zero speed output
10.03
8.27
21.51
0.00
21.51
8.07
Relay
Status relay state
(Terminals T5 & T6)
8.17
Invert
Status relay
source
Default source
Drive healthy
10.01
12.41
Brake controller
enable
T5
T6
XX
XX
Key
Read-write (RW)
parameter
Read-only (RO)
parameter
Input
terminals
Output
terminals
XX
XX
The parameters are all shown at their default settings

Table of Contents

Related product manuals