EasyManua.ls Logo

Emerson 2202 - Page 120

Emerson 2202
200 pages
Print Icon
To Next Page IconTo Next Page
To Next Page IconTo Next Page
To Previous Page IconTo Previous Page
To Previous Page IconTo Previous Page
Loading...
Menu 9 Introduction
Parameter
x.00
Parameter
description format
Keypad and
display
Serial
communications
CT Modbus
RTU
PLC Ladder
programming
CTSoft Menu 0
Advanced parameter
descriptions
120 Commander SK Advanced User Guide
www.controltechniques.com Issue Number: 9
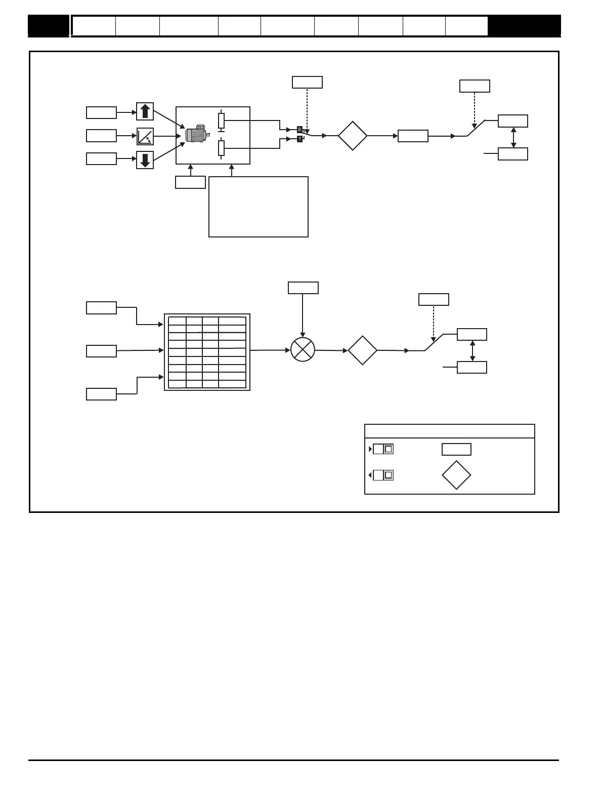
Figure 10-24 Menu 9B logic diagram
1.01
9.26
9.23
9.27
100%
0%
100%
_
100%
9.03
Monitor
9.22
Bi-polar
select
9.24
Scaling
1.01
21.51
0.00
21.51
1.01
9.25
Destination
9.28
Reset
0
1
2
3
- Zero at power up
- Last value at power up
- Zero at power up, only
change when running
- Last value at power up,
only change when running
Mode 9.21
Rate
Binary sum
Logic ones (LSB)
1.01
9.29
1.01
9.29
1.01
9.29
1.01
9.30
1.01
9.29
1.01
9.31
Binary sum
Logic twos
Binary sum
Logic fours (MSB)
9.31 9.30 9.29 Output
000 0
001 1
010 2
011 3
100 4
101 5
110 6
111 7
9.32
Binary sum
logic output value
9.34
Offset
1.01
21.51
0.00
21.51
1.01
9.33
Destination
Motorised
pot up
Motorised
pot down
XX
XX
Key
Read-write (RW)
parameter
Read-only (RO)
parameter
Input
terminals
Output
terminals
XX
XX
The parameters are all shown at their default settings

Table of Contents

Related product manuals