EasyManua.ls Logo

Emerson 2403 - Page 155

Emerson 2403
200 pages
Print Icon
To Next Page IconTo Next Page
To Next Page IconTo Next Page
To Previous Page IconTo Previous Page
To Previous Page IconTo Previous Page
Loading...
Introduction
Parameter
x.00
Parameter
description format
Keypad and
display
Serial
communications
CT Modbus
RTU
PLC Ladder
programming
CTSoft Menu 0
Advanced parameter
descriptions
Menu 12
Commander SK Advanced User Guide 155
Issue Number: 9 www.controltechniques.com
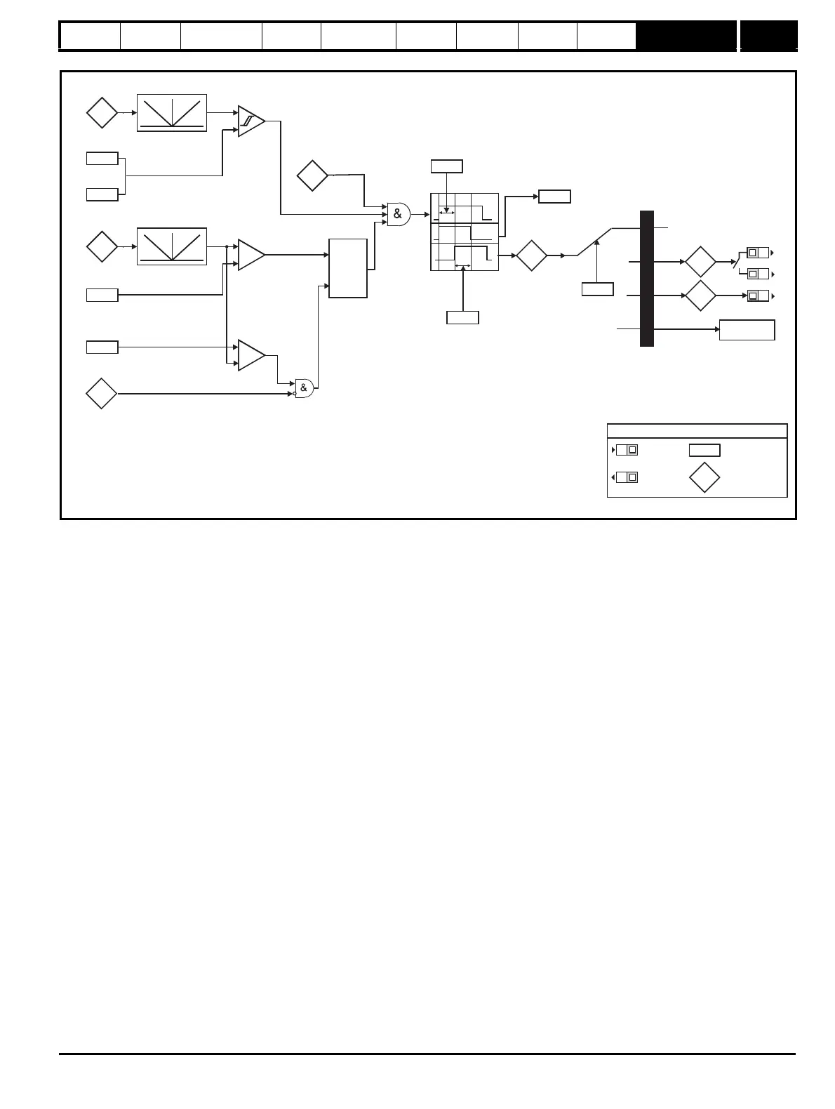
Figure 10-39 Menu 12D logic diagram
12.42
12.43
4.01
+
_
Current
Magnitude
Brake release
current threshold
Brake apply
current threshold
10.02
Drive active
5.01
Output
frequency
+
_
+
_
12.44
12.45
Brake release
frequency
Brake apply
frequency
Reference
enabled
Latch
In
Out
Reset
12.46
Pre-brake
release delay
12.47
Post-brake
release delay
12.40
Brake release
2.03
Ramp hold
12.41
Brake
controller enable
3
2
1
0
User
Programmable
8.07
8.01
Brake disabled
T5
T6
B3
1.11
Status relay state
T5 & T6
Terminal B3
digital input/output
state
XX
XX
Key
Read-write (RW)
parameter
Read-only (RO)
parameter
Input
terminals
Output
terminals
XX
XX
The parameters are all shown at their default settings

Table of Contents

Related product manuals