EasyManua.ls Logo

Emerson 2403 - Page 36

Emerson 2403
200 pages
Print Icon
To Next Page IconTo Next Page
To Next Page IconTo Next Page
To Previous Page IconTo Previous Page
To Previous Page IconTo Previous Page
Loading...
Menu 1 Introduction
Parameter
x.00
Parameter
description format
Keypad and
display
Serial
communications
CT Modbus
RTU
PLC Ladder
programming
CTSoft Menu 0
Advanced parameter
descriptions
36 Commander SK Advanced User Guide
www.controltechniques.com Issue Number: 9
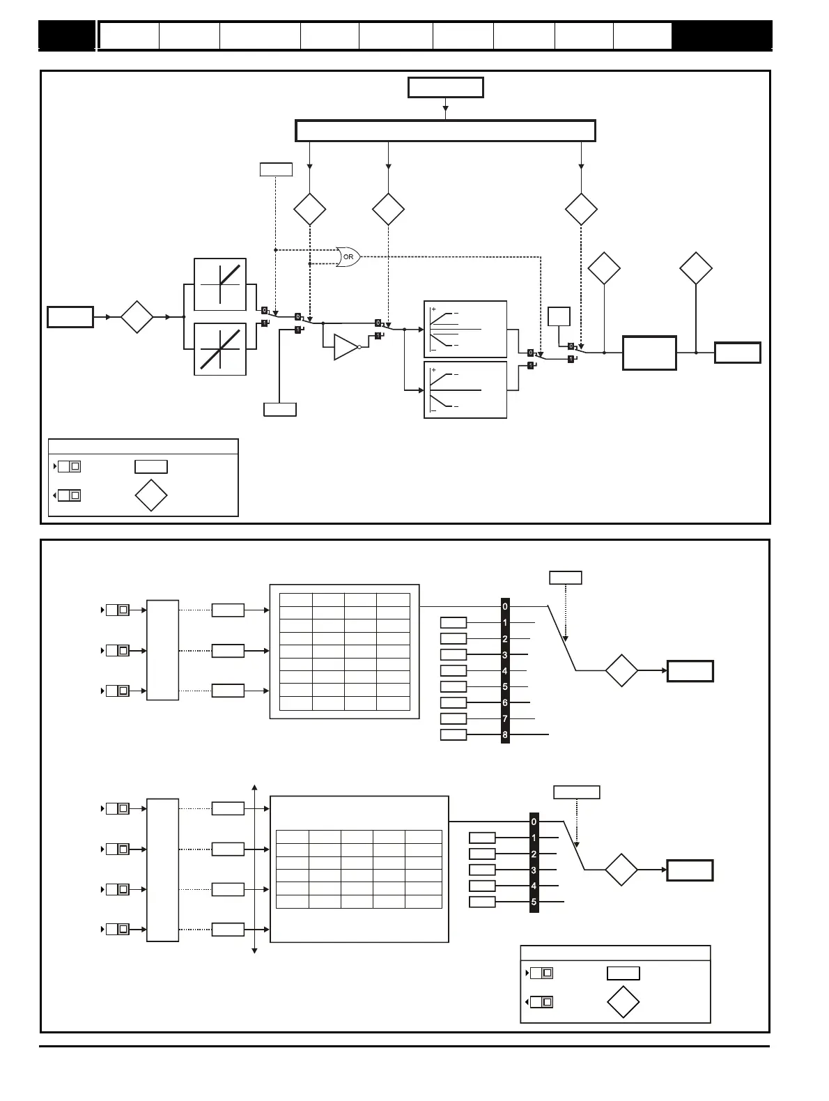
Figure 10-2 Menu 1B logic diagram
Figure 10-3 Menu 1C logic diagram
Jog reference
Bipolar
reference
select
Jog
selected
indicator
1.10
1.05
1.13
Pre-filter
reference
Reference
enabled
indicator
Reverse
selected
indicator
1.12
1.11
Drive sequencer (Menu 6)
Menu 8
Menu 1A
1.01
Frequency
reference
selected
x(-1)
1.06 (21.01)
1.07 (21.02)
1.07 (21.02)
1.06 (21.01)
1.06 (21.01)
1.06 (21.01)
0Hz
Skip
Frequencies
Menu1C
Menu 2
1.02
Pre-ramp
reference
1.03
XX
XX
Key
Read-write (RW)
parameter
Read-only (RO)
parameter
Input
terminals
Output
terminals
XX
XX
1.46
1.47
Menu 8
1.45
Digital inputs
Preset
select 0
Preset
select 1
Preset
select 2
Pr
1.47
0
0
0
0
1
1
1
1
Pr
1.46
0
0
1
1
0
0
1
1
Pr
1.45
0
1
0
1
0
1
0
1
Output
1
2
3
4
5
6
7
8
1
2
3
4
5
6
7
8
1.15
Preset
reference
selector
1.50
Preset
selected
indicator
Menu 1A
1.42
1.43
Menu 8
1.41
Digital inputs
Analog ref
2 select
Preset
select
Keypad
select
1
2
3
4
5
1.14 (21.03)
Reference
selector
1.49
Reference
selected
indicator
Menu 1A
1.44
Precision
ref select
Lowest
priority
Highest
priority
Pr
1.44
0
0
0
0
1
Pr
1.43
0
0
0
1
X
Pr
1.42
0
0
1
X
X
Pr
1.41
0
1
X
X
X
Output
1
2
3
4
5
XX
XX
Key
Read-write
(RW)
parameter
Read-only (RO)
parameter
Input
terminals
Output
terminals
XX
XX

Table of Contents

Related product manuals