EasyManua.ls Logo

Emerson 2403 - Page 86

Emerson 2403
200 pages
Print Icon
To Next Page IconTo Next Page
To Next Page IconTo Next Page
To Previous Page IconTo Previous Page
To Previous Page IconTo Previous Page
Loading...
Menu 6 Introduction
Parameter
x.00
Parameter
description format
Keypad and
display
Serial
communications
CT Modbus
RTU
PLC Ladder
programming
CTSoft Menu 0
Advanced parameter
descriptions
86 Commander SK Advanced User Guide
www.controltechniques.com Issue Number: 9
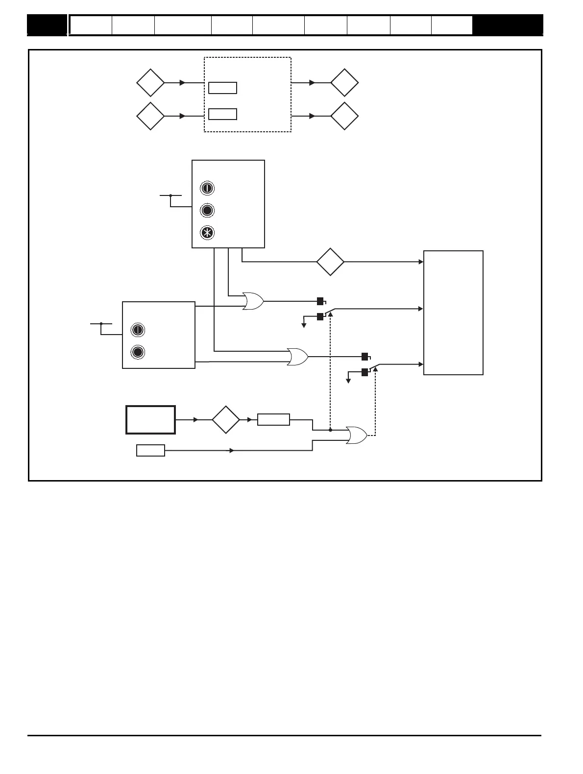
Figure 10-15 Menu 6B logic diagram
6.17
Reset energy
meter
6.16
Electricity cost
per kWh
Clock control
6.24
6.25
Power meter
6.26 Running cost
6.22
6.23
Run-time
clock
5.03
Motor
power (kW)
RUN
STOP
FUNCTION
Remote LED keypad
Logic 1
RUN
STOP
Drive keypad
Logic 1
Sequencer
6.11
Remote LED
keypad function
key status
0
1
0
1
Menu 1A
Reference
selection
6.12
Enable
stop key
1.49
Reference
selected
indicator
1.49 = 1

Table of Contents

Related product manuals