EasyManua.ls Logo

Emerson EV3200 - Chapter 3 Electrical Installation (Continued); Inverter Wiring Diagrams and EMC

Emerson EV3200
63 pages
Print Icon
To Next Page IconTo Next Page
To Next Page IconTo Next Page
To Previous Page IconTo Previous Page
To Previous Page IconTo Previous Page
Loading...
10 Chapter 3 Electrical Installation
EV3200 Door Control Inverter User Manual
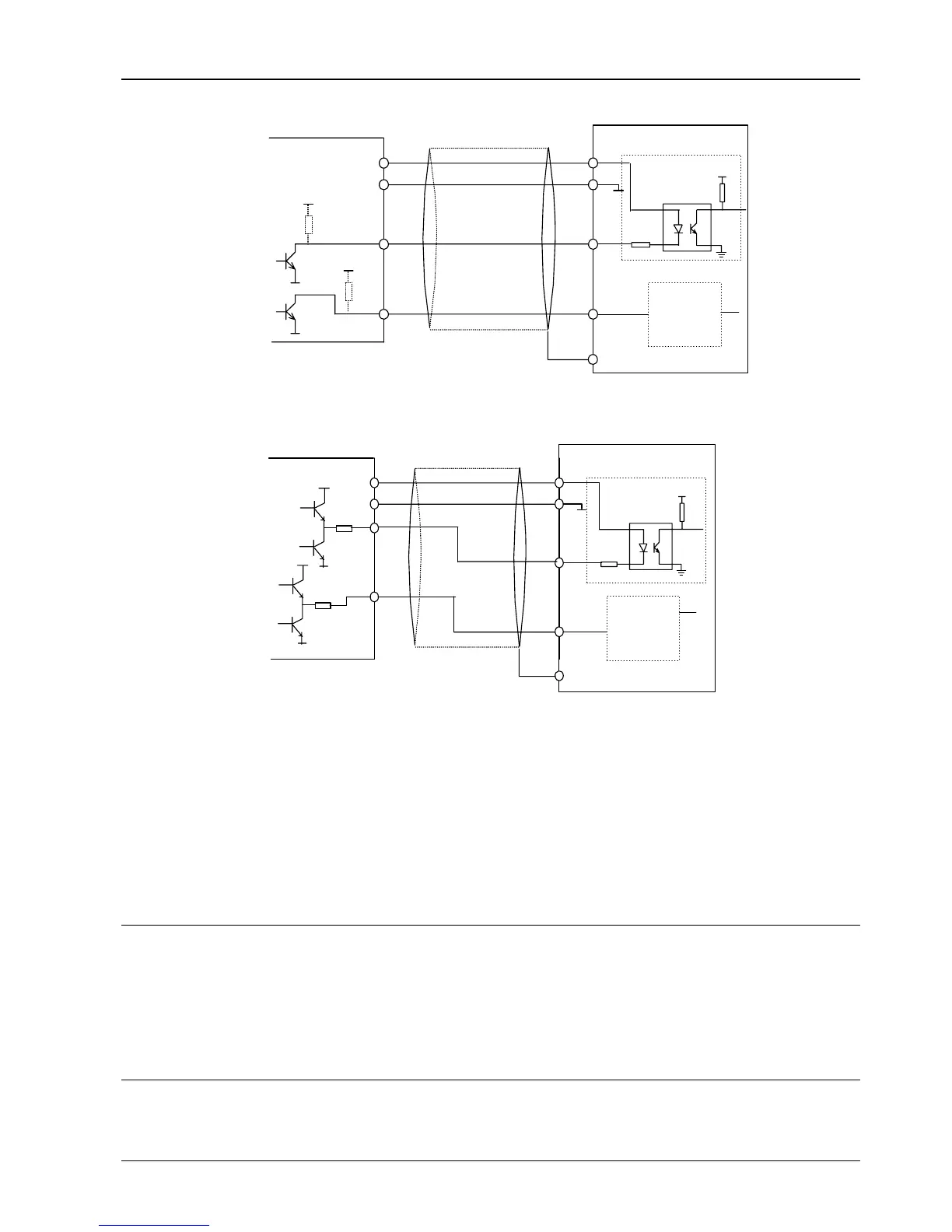
1. The wiring of open-collector output PG is shown in Figure 3-7.
EV3200
VCC
GND
A
B
GND
GND
P24
PE
COM
3.3V
VCC
VCC
A
B
Using shielding cable
Closer end of shielding
cable is connected to PE
same as
interface
circuit 1
Open collector output PG
(the part in dashed line is
voltage output PG)
Interface circuit 1
Interface
circuit 2
Figure 3-7 Wiring diagram of open-collector output PG
2. The wiring of the push-pull output PG is shown in Figure 3-8.
EV3200
P24
PE
COM
A
B
3.3V
GND
A
B
Closer end of shielding
cable is connected to PE
VCC
VCC
GND
VCC
GND
Push-pull PG
Using shielding cable
Interface circuit 1
same as
interface
circuit 1
Interface
circuit 2
Figure 3-8 Wiring diagram of push-pull output PG
3.6 EMC
1. It is recommended to install an EMI filter and AC input reactor at the input side of the inverter.
With EMI filter installed, EV3200 series inverters comply with the requirements in IEC 61800-3 in the fields of conducted
emission and radiated emission, with un-shielded AC power supply cables, and shielded output cable to the motor.
With AC input reactor installed, EV3200 series inverters comply with the requirements in IEC 61800-3 in the field of harmonic
emission.
For the technical parameters of the EMI filter and the AC input reactor, see Appendix 1 EMI Filter And AC Input Reactor.
Note
1. The input EMI filter should be as close to the inverter as possible.
2. The EMI filter can reduce the interference of the inverter on other equipment connected to the same mains.
3. The EMI filter's enclosure must be properly earthed.
4. The EMI filter inside the enclosure should be placed closed to the input AC power supply and its power input cables inside the enclosure
should be as short as possible.
5. The distance between the input cable and output cable of the EMI filter should be as far as possible, otherwise the high frequency noise
may be coupled between the cables and thus bypass the filter.

Table of Contents

Related product manuals