EasyManua.ls Logo

Emerson MP825A4 - Menu 4: Torque and Current Control; Figure 11-4 Menu 4 Logic Diagram

Emerson MP825A4
182 pages
Print Icon
To Next Page IconTo Next Page
To Next Page IconTo Next Page
To Previous Page IconTo Previous Page
To Previous Page IconTo Previous Page
Loading...
Safety
Information
Product
information
Mechanical
Installation
Electrical
installation
Getting
started
Basic
parameters
Running the
motor
Optimization
SMARTCARD
operation
Onboard
PLC
Advanced
parameters
Technical
data
Diagnostics
UL
information
104 Mentor MP User Guide
www.controltechniques.com Issue: 3
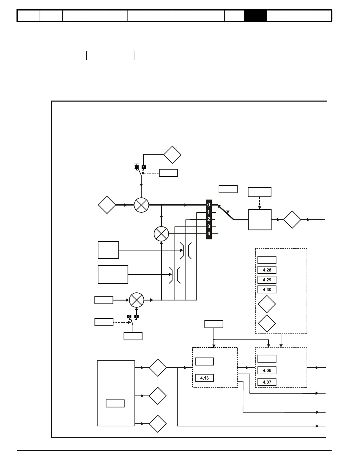
11.4 Menu 4: Torque and current control
MOTOR1_CURRENT_LIMIT_MAX is used as the maximum for some parameters such as the user current limits. The current maximum current limit
is defined as follows (with a maximum of 1000%):
Where:
Motor rated current is given by Pr 5.07 (SE07, 0.28)
(MOTOR2_CURRENT_LIMIT_MAX is calculated from the motor map 2 parameters). The maximum current is 1.5 x drive rating.
Figure 11-4 Menu 4 logic diagram
CURRENT_LIMIT_MAX
Maximum current
Motor rated current
-------------------------------------------------------
100%×=
3.04
4.08
4.09
5.07
4.05
Motoring
Regenerating
Current limits
Symmetrical
Motor rated
current
Speed loop
output
Torque reference
offset
Torque
reference
Speed
over-ride
level
Coiler/uncoiler
speed over-
ride level
+
4.01
Torque mode
selector*
4.11
4.10
Torque
reference
offset
enable
+
+
+
4.03
To rq ue
demand
4.24
User current
max scaling
+
4.22
2.38
Inertia
compensation
enable
+
Inertia
compensation
torque
Menu 5
Quandrant
select
Current
measurement
4.02
4.20
Percentage
load
Filtered current
magnitude
Current
magnitude
4.15
Thermal
time
constant
Thermal
protection
mode
Overload detection
4.27
1 threshold
2 threshold
Current taper
1 end point
2 end point
4.31
4.32
Threshold 1
exceeded
Threshold 2
exceeded

Table of Contents

Related product manuals