EasyManua.ls Logo

Emerson SP3402 - Page 173

Emerson SP3402
220 pages
Print Icon
To Next Page IconTo Next Page
To Next Page IconTo Next Page
To Previous Page IconTo Previous Page
To Previous Page IconTo Previous Page
Loading...
Safety
Information
Introduction
Product
information
System
design
Mechanical
installation
Electrical
installation
Getting
started
Optimisation
Parameters
Techn i cal
data
Component
sizing
Diagnostics
Unidrive SP Regen Installation Guide 173
Issue Number: 2 www.controltechniques.com
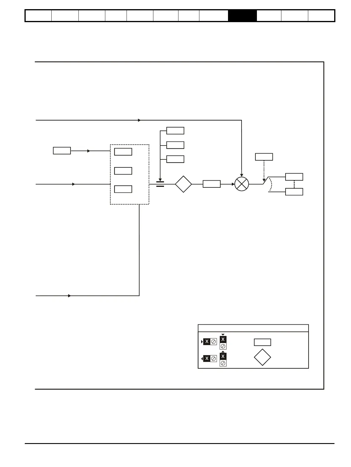
14.10
14.11
14.12
14.17
14.13
14.14
14.18
14.01 14.15
+
+
14.16
??.??
??.??
Any
unprotected
variable
parameter
PID derivative
gain
PID integral
gain
PID proportional
gain
PID hold
integrator enable
PID output
high limit
PID output
low limit
PID symmetrical
limits enable
PID controller
output
PID output
scale factor
PID output
destination
parameter*
0.XX
0.XX
Key
Read-write (RW)
parameter
Read-only (RO)
parameter
Input
terminals
Output
terminals
The parameters are all shown at their default settings

Table of Contents

Related product manuals