EasyManua.ls Logo

EMKO ESM-9910 - 3.9 Output-2 Connections

EMKO ESM-9910
46 pages
Print Icon
To Next Page IconTo Next Page
To Next Page IconTo Next Page
To Previous Page IconTo Previous Page
To Previous Page IconTo Previous Page
Loading...
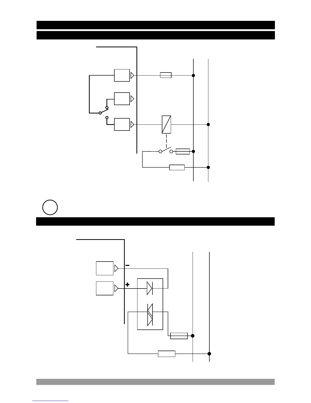
3.9.1 Output-2 (Relay Output) Connection
Fuses must be selected according to the application
c
Output-2 exists in device with two relays
ii
Device
4
5
Fuse
Load
L N
Last Control Element
(Contactor)
c
6
7A V T Fuse
C
NC
NO
3.9 Output-2 Connections
3.9.2 SSR Driver Output-2 Connection
Fuse
Load
Last Control Element
(SSR)
4
Device
L N
5
c
Max.15 V Z
Max. 23mA
20

Table of Contents

Related product manuals