EasyManua.ls Logo

Epson RX-8025SA - External Connection Example

Epson RX-8025SA
34 pages
Print Icon
To Next Page IconTo Next Page
To Next Page IconTo Next Page
To Previous Page IconTo Previous Page
To Previous Page IconTo Previous Page
Loading...
RX
-
8025
SA
/
NB
Page - 27 ETM10E-04
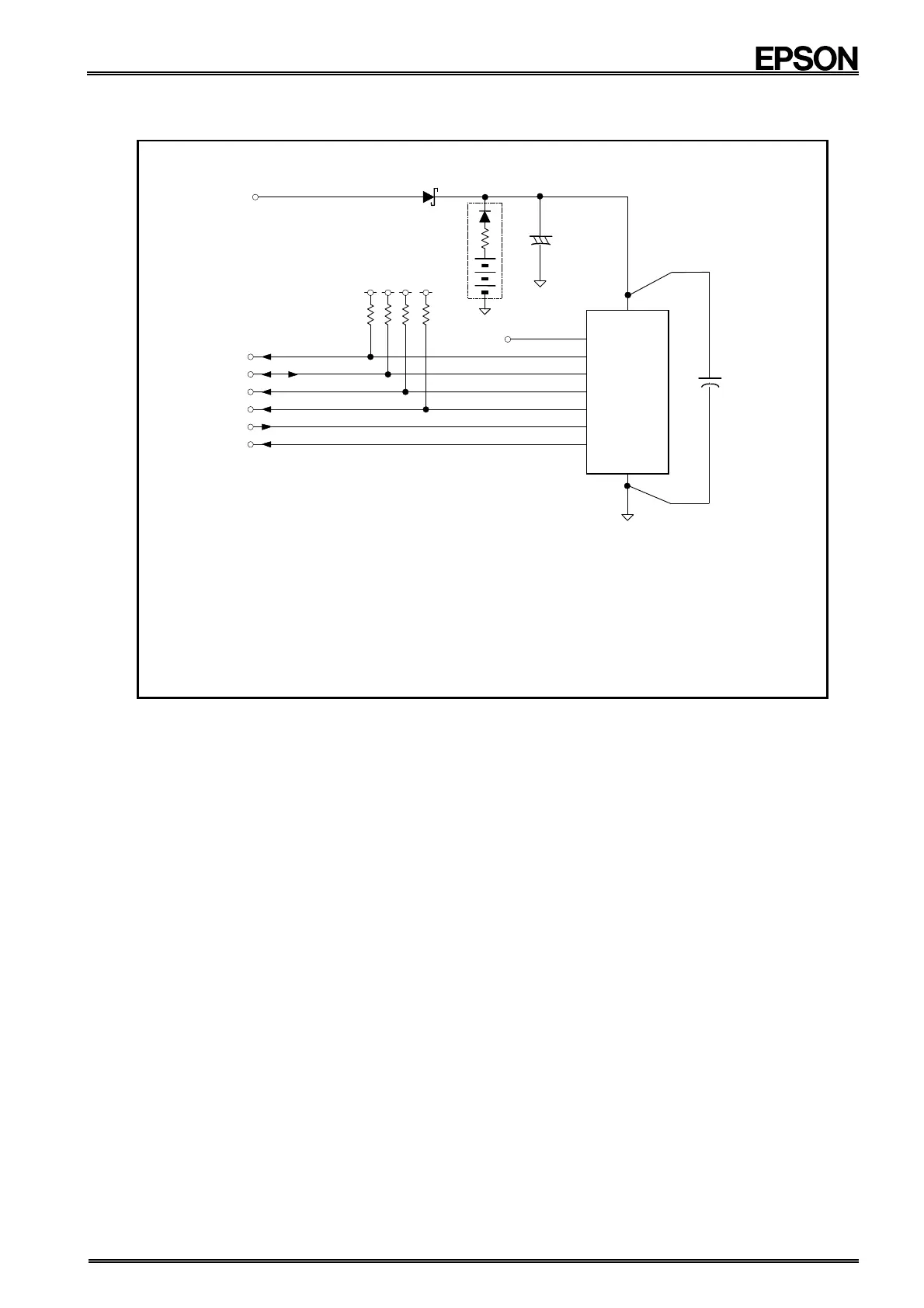
8.9. External Connection Example
Note : Pull-up resistor connections.
SCL and SDA
Connect to the system-power-supply .
/ INTA and / INTB
When , uses these interrupt signals at battery backup, connect these pins to backup power supply.
RX - 8025
V
DD
GND
+
4.7
µ
F
0.1
µ
F
Schottky
Barrier
Diode
Note
V
DD
D 1
SCL
/ INTA
/ INTB
FOE
FOUT
SDA
TEST
OPEN
Note : Use a secondary cell or lithium cell. A diode is not required when using a secondary cell.
When using a lithium cell, be sure to use a diode. Contact the battery manufacturer for
details regarding applied resistance values.

Related product manuals