EasyManua.ls Logo

ESP MAGDUO8B - Connecting Four Panels Together

ESP MAGDUO8B
84 pages
Print Icon
To Next Page IconTo Next Page
To Next Page IconTo Next Page
To Previous Page IconTo Previous Page
To Previous Page IconTo Previous Page
Loading...
MAGDUO Control Panel Engineering and Commissioning Manual
26-1649-03
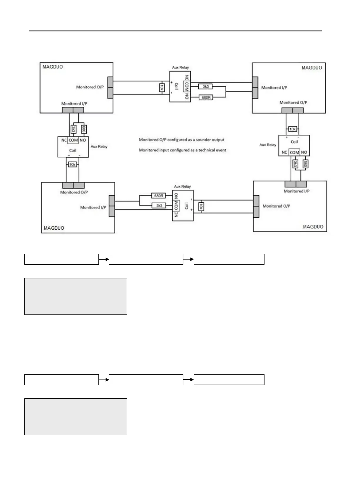
Connecting four Panels Together
This active control will allow the engineer to view or change the
operation of the programmable input. Use the UP and DOWN arrow
keys to toggle through the following options. To confirm the changes
press ENTER.
3. TECHNICAL EVENT Operation of the Monitored I/P will
signal a technical event at the control
panel. Panel outputs will be triggered
but the control panel will read
technical alarm and no fire indication
will be given.
This active control will allow the engineer to view or change the
operation of a Monitored O/P. Use the UP and DOWN arrow keys to
toggle through the following options. To confirm the changes press
ENTER.
1. REMOTE SOUNDER Operation of a Monitored O/P will
mimic that of a conventional sounder
10. Panel I/O
4. Monitored O/P
1. Output Type
01/09/09 20:13 ENGR
1.REMOTE SOUNDER
2.REMOTE FIRE
Press Enter Key
01/09/09 20:13 ENGR
1.CONTROL EVENT
2.REMOTE FIRE EVENT
Press Enter Key
10. Panel I/O
3. Monitored I/P MI
1. Input Type

Table of Contents

Related product manuals