EasyManua.ls Logo

Exmark 790 - Electrical Logic Schematics

Exmark 790
44 pages
Print Icon
To Next Page IconTo Next Page
To Next Page IconTo Next Page
To Previous Page IconTo Previous Page
To Previous Page IconTo Previous Page
Loading...
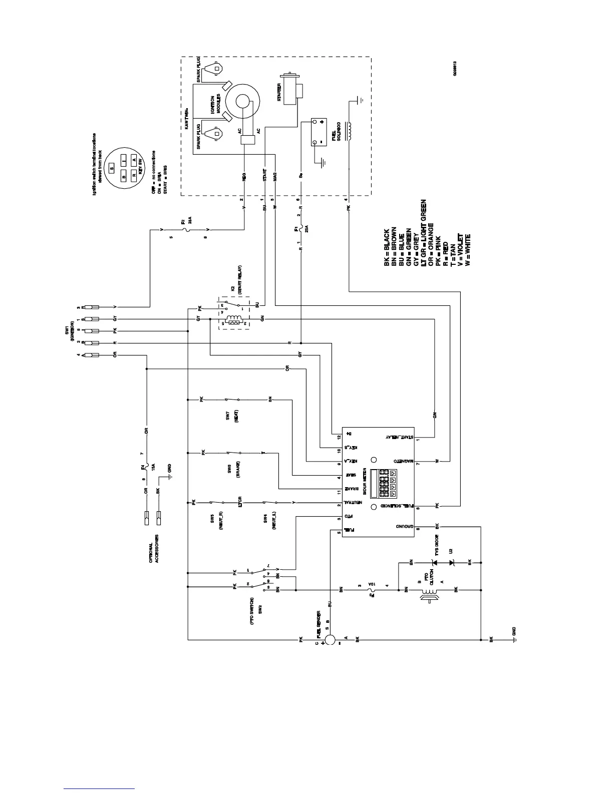
AIR-COOLED ELECTRICAL LOGIC SCHEMATIC
-40-

Related product manuals