EasyManua.ls Logo

Exmark Quest 4500-450 - Electrical Logic Schematic

Exmark Quest 4500-450
56 pages
Print Icon
To Next Page IconTo Next Page
To Next Page IconTo Next Page
To Previous Page IconTo Previous Page
To Previous Page IconTo Previous Page
Loading...
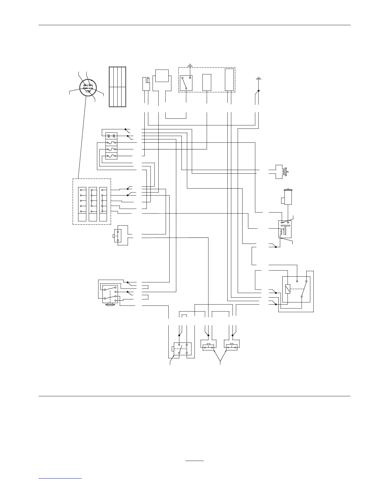
Schematics
ElectricalLogicSchematic
START
SOLENOID
B+
START
SOLENOID
GROUND
SHOWN WITH CONTROL
LEVERS IN NEUTRAL
LOCK POSITION
(HANDLES OUT)
SHOWN WITH
BRAKE DISENGAGED
TERMINAL I
TERMINAL A
TERMINAL R
TERMINAL B
TERMINAL S
GROUND
GROUND
-
HOUR
METER
+
25
20
15
4
3
6
5
8
7
S
R
B
A
I
START
RUN
OFF
B + R + I + A
NONE
CIRCUIT "MAKE"
S + B + R + I
2. RUN
1. OFF
POSITION
3. START
PINK
RED
VIOLET
ORANGE
VIOLET
ORANGE
RED
VIOLET
ORANGE
ORANGE
PINK
GRAY
BROWN
BROWN
BROWN
PINK
PINK
PINK
VIOLET
ORANGE
YELLOW
PTO SWITCH
(DISENGAGED)
SEAT SWITCH
(OPERATOR IN SEAT)
IGNITION SWITCH
FUSE BLOCK
ACCESSORIES
OIL SWITCH
PTO
CLUTCH
START
SOLENOID
SIGNAL
STARTER LOCKOUT
& KILL RELAY
LH
MOTION
CONTROL
RH
MOTION
CONTROL
BRAKE
SWITCH
YELLOW
GREEN
GREEN
VIOLET
YELLOW
VIOLET
VIOLET
GRAY
VIOLET
VIOLET
BLACK
BLACK
WHITE
YELLOW
VIOLET
PINK
BLACK
ORANGE
LT. BLUE
LT. BLUE
DK. GREEN
DK. GREEN
DK. BLUE
RED
DK. GREEN
BROWN
DK. GREEN
BLACK
BLACK
BLACK
WHITE
YELLOW
YELLOW
DK. BLUE
FUEL SOLENOID
MAGNETO
ALTERNATOR
STARTER
2
BROWN
BROWN
RED
DK. GREEN
DK. GREEN
1
G009777
51

Table of Contents