EasyManua.ls Logo

Exmark Quest 4500-450 - Schematics; Electrical Diagram

Exmark Quest 4500-450
56 pages
Print Icon
To Next Page IconTo Next Page
To Next Page IconTo Next Page
To Previous Page IconTo Previous Page
To Previous Page IconTo Previous Page
Loading...
Schematics
Schematics
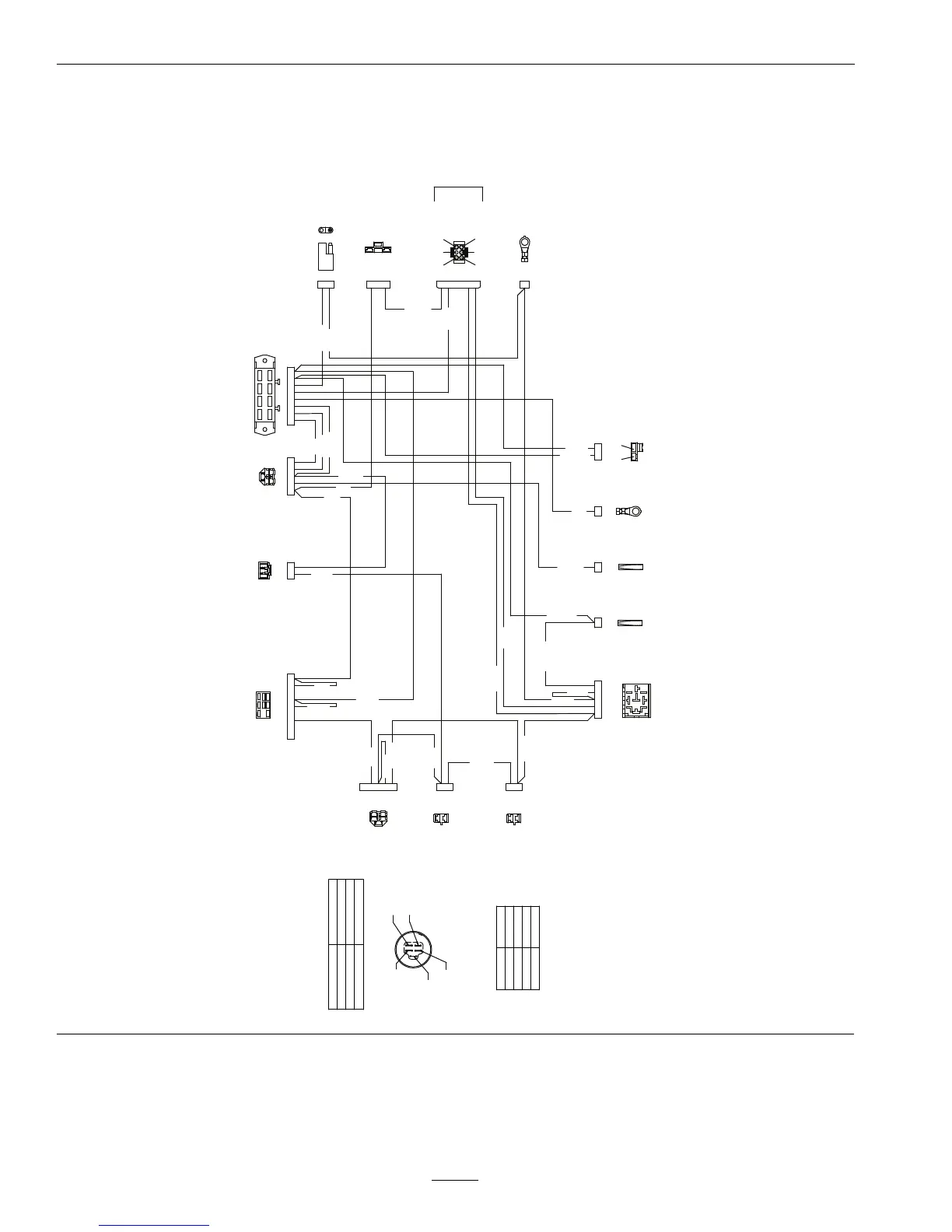
ElectricalDiagram
FUEL SOLENOID
BRAKE
SWITCH
RH
MOTION
CONTROL
LH
MOTION
CONTROL
STARTER LOCKOUT
& KILL RELAY
START
SOLENOID
GROUND
START
SOLENOID
SIGNAL
START
SOLENOID
B+
PTO
CLUTCH
GROUND
ALTERNATOR
OIL SWITCH
HOUR METER
ACCESSORIES
FUSE BLOCK
IGNITION SWITCH
SEAT SWITCH
PTO SWITCH
ORANGE
ORANGE
Y S X A B
ORANGE
PINK
PINK
PINK
VIOLET
RED
DK BLUE
LT BLUE
RED
VIOLET
BLACK
BLACK
BLACK
DK GREEN
DK GREEN
BROWN
BROWN
WHITE
YELLOW
YELLOW
GREEN
YELLOW
VIOLET
VIOLET
GRAY
VIOLET
MAGNETO
ENGINE
BROWN
DK GREEN
4
5
3
2
1
2
1
2
1
5 3 1 2 4
1 1 1
B A
1
1
2
3
3 5 7 4 6 8 1 2
5 1 4 3 2
2 1
9 8 7 6 5 4 3 2 1
B
A
5
1
4
6
3
2
2
5
4
3
1
2
1
3
4
7
9
8
2 1
2
1
2
1
4
1
3
2
5
B A
1
3
5
6
4
2
2
1
3
A
B
8 6 4 2
7 5 3 1
2
5
4
3
1
G009785
POSITION
CIRCUIT “MAKE”
NONE
B + R + I + A
B + R + I + S
1. OFF
2. RUN
3. START
IGNITION SWITCH
TERMINAL CONNECTIONS
TERMINAL B
TERMINAL A
ACCESSORY
BATTERY
IGNITION
START
RECTIFIER
TERMINAL I
TERMINAL S
TERMINAL R
TERMINAL I
TERMINAL A
TERMINAL R
TERMINAL B
TERMINAL S
CONNECTORS VIEWED FROM WIRE END
NOTE:
50

Table of Contents

Related product manuals