EasyManua.ls Logo

Explorer KALLIO 50 - Wiring Diagram

Default Icon
Print Icon
To Next Page IconTo Next Page
To Next Page IconTo Next Page
To Previous Page IconTo Previous Page
To Previous Page IconTo Previous Page
Loading...
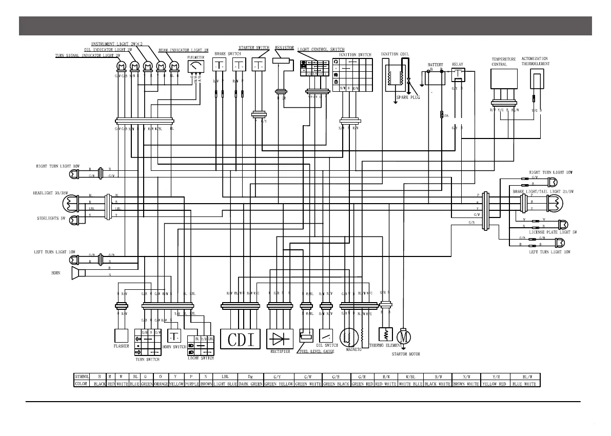
WIRING DIAGRAM
9-4

Table of Contents