EasyManua.ls Logo

Explorer KALLIO 50 - Schema de Cablage

Default Icon
Print Icon
To Next Page IconTo Next Page
To Next Page IconTo Next Page
To Previous Page IconTo Previous Page
To Previous Page IconTo Previous Page
Loading...
9-4
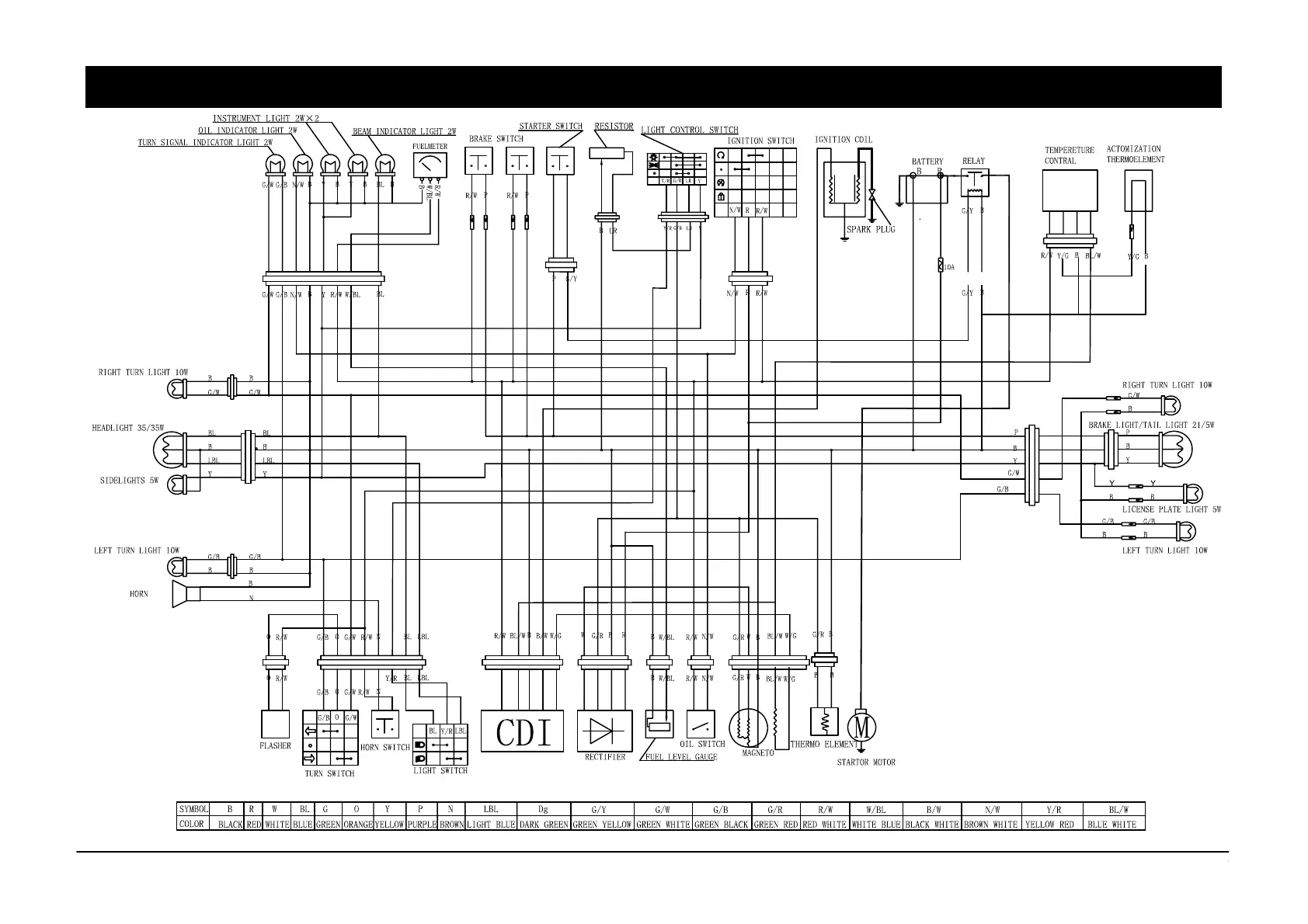
SCHEMA DE CABLAGE

Table of Contents