EasyManua.ls Logo

Explorer KALLIO 50 - Bedradingsschema

Default Icon
Print Icon
To Next Page IconTo Next Page
To Next Page IconTo Next Page
To Previous Page IconTo Previous Page
To Previous Page IconTo Previous Page
Loading...
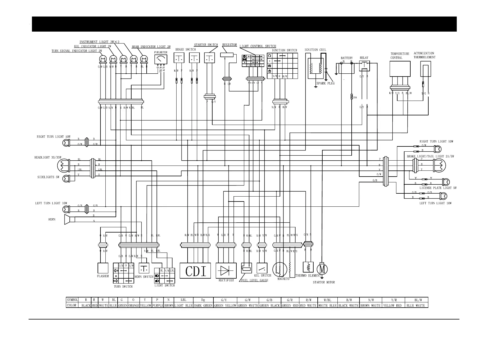
BEDRADINGSSCHEMA
9-4

Table of Contents