EasyManua.ls Logo

Explorer KALLIO 50 - Schéma Zapojení

Default Icon
Print Icon
To Next Page IconTo Next Page
To Next Page IconTo Next Page
To Previous Page IconTo Previous Page
To Previous Page IconTo Previous Page
Loading...
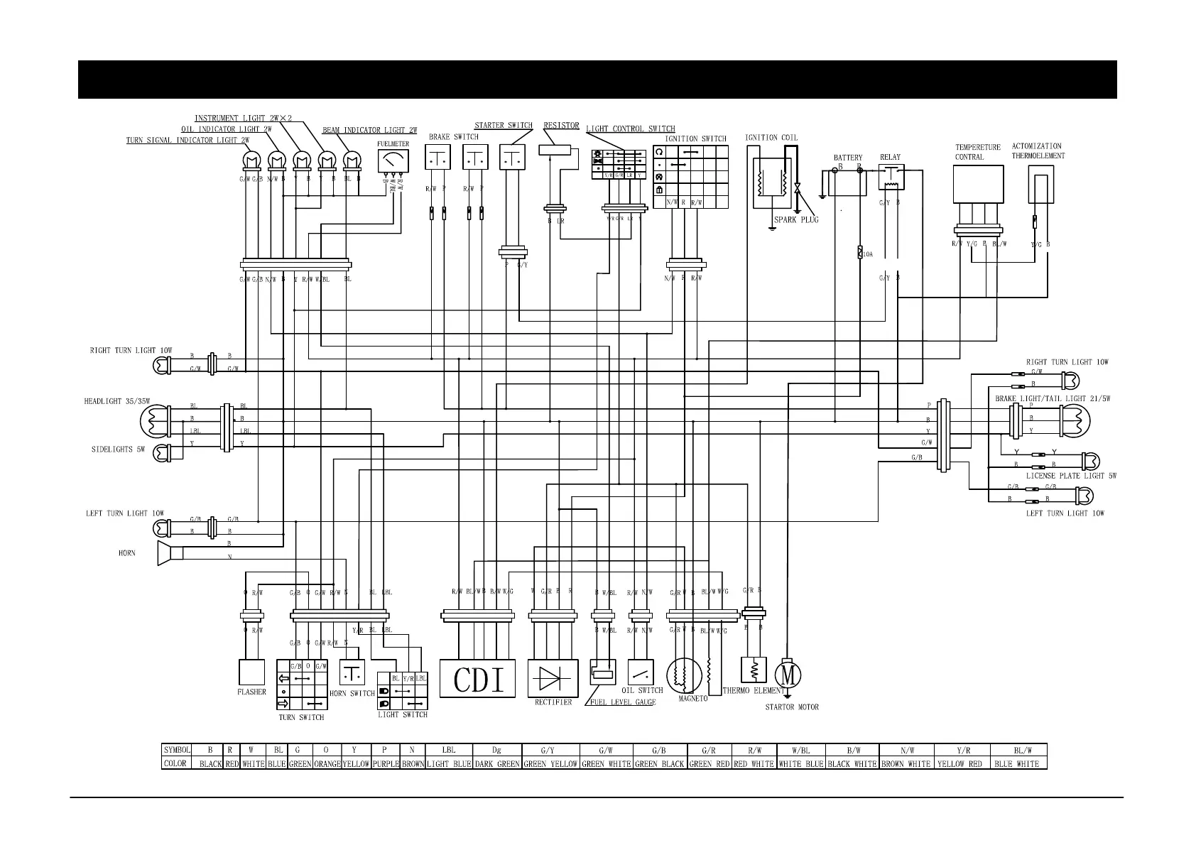
SCHÉMA ZAPOJENÍ

Table of Contents