EasyManua.ls Logo

Fac C3 - Page 38

Fac C3
45 pages
Print Icon
To Next Page IconTo Next Page
To Next Page IconTo Next Page
To Previous Page IconTo Previous Page
To Previous Page IconTo Previous Page
Loading...
36
L1
PE
L2L3
N.
C
V U
230
COM
8 7 6 5 4 3 2 1
400
1
2
O. N. O.
START
STOP
T
EN
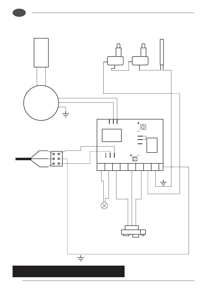
WIRING DIAGRAM
CUTTER C5 / 8 Litre
Only for personnel authorized by the manufacturer
MOTOR
Single-phase
230V
POT PIN MICRO-SWITCH
PENTOLA
POT BOTTOM MICRO-SWITCH
PENTOLA
Magnetic sensor
Condenser
30 µF
Line
220V-50Hz
Red
Brakingforce
Time
brake
Blue
Black
Luminous
indicator light

Other manuals for Fac C3