EasyManua.ls Logo

Fagor DDS - Sales Models

Fagor DDS
56 pages
Print Icon
To Next Page IconTo Next Page
To Next Page IconTo Next Page
To Previous Page IconTo Previous Page
To Previous Page IconTo Previous Page
Loading...
Fagor Compact Drives and Motors Quick Reference. Ref.1910 CQR-53/56
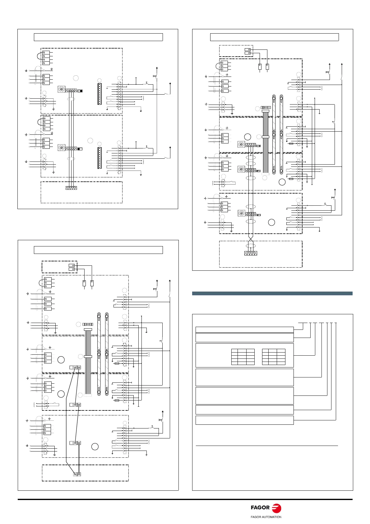
COMPACT SYSTEM WITH CAN CONNECTION
MIXED SYSTEM WITH SERCOS
MIXED SYSTEM WITH CAN
SALES MODELS
AXIS COMPACT DRIVE NOMENCLATURE
X1
1
(Phoenix,
5.08mm)
CHA S S IS
3
2
1
3x400/460 V AC
X
Ri
NODE
2
2
COM PACT
DRIVE
MODULE
SCD 1.15
COM PA CT
DRIVE
MODULE
SCD 1 .1 5
FAGOR CNC
Re
L+
L-
R
S
T
L1
L2
L3
2x400/460 V AC
L1
L2
1
2
3
L1
L2
SELECT
0
1
Z
Ri
Re
L+
L-
R
S
T
L1
L2
L3
3x400/460 V AC2x400/460 V AC
L1
L2
X1
L1
L2
NODE
1
SELECT
CANL
CANH
SHIELD
3
4
SPEED ENABLE
DRIVE ENABLE
ERROR RES ET
KA3
GND
+2 4 V DC
+2 4 V D C
KA 6
DR.Z
OK
0
1
X2
X2
10
1
2
3
4
5
6
7
8
9
10
(Phoenix,
5.08mm)
1
10
X2
X2
1
2
3
4
5
6
7
8
9
10
CHA S S IS
DR.X
OK
ERROR RES ET
DRIVE ENABLE
SPEED ENABLE
GND
KA3
ON
+2 4 V DC
+2 4 V DC
+2 4 V D C
KA4
Line voltage: 400 (1-10 %) V AC / 460 (1+10 %) V AC
X 3
X 2
C H O K E X P S
1 0 m m ² ( X P S - 2 5 )
C H 2
X P S - X X
R E G E N E R A T I V E
P O W E R
S U P P L Y
R i
L 3
3 x 4 0 0 / 4 6 0 V A C
L 1
P O W E R
B U S D C
I N T E R N A L
B U S
+ 2 4 V D C
F A G O R
C N C
I N
O U T
C H A S S I S
D R . S O K
E R R O R R E S E T
K A 3
G N D
S P E E D E N A B L E
D R I V E E N A B L E
D R . Z O K
G N D
G N D
K A 3
O N
2 . 5 A
1
O U T
1
S C D
C O M P A C T
D R I V E
M O D U L E
1
2
3
2 x 4 0 0 / 4 6 0 V A C
L 1
3 x 4 0 0 / 4 6 0 V A C
T
8
9
O U T 2
O U T 2
X 6
W
2
O U T
I N
X 1
A X D
A X I S
D R I V E
X
X 1
3
O U T
I N
M O T O R
2 x 4 0 0 / 4 6 0 V A C
L 2
1
2
3
L 2
X 1
O N
E R R O R R E S E T
K A 2
S Y S T E M S P E E D E N A B L E
S Y S T E M O K
G N D
+ 2 4 V D C *
X 2
X 4
1
X 2
C H A S S I S
D R I V E E N A B L E
S P E E D E N A B L E
D R . X O K
X 2
1
L +
L -
L +
L -
L+
L-
R e
L +
Z
S
G N D
D R I V E E N A B L E
S P E E D E N A B L E
A X D
A X I S
D R I V E
C H 1
5 0 m m ² ( X P S - 6 5 )
+ 2 4 V D C
+ 2 4 V D C
L 2
L 3
L 1
L 2
L 1
L 2
X 1
I N
( F ) f u s e
S
R
V
U
W
V
U
M O T O R
L 1
L 2
L 1
L 1
L 2
L 3
2
3
1
2
3
4
5
6
7
8
2 . 5 A
( F ) f u s e
1
3
5
6
7
2
3
4
5
6
7
8
2
3
4
5
6
7
8
9
1 0
Line voltage: 400 (1-10 %) V AC / 460 (1+10 %) V AC
1
C A N L ·
2
·
S H I E L D ·
3
·
C A N H ·
4
·
+ 2 4 V D C
O N
K A 2
E R R O R R E S E T
S Y S T E M S P E E D E N A B L E
G N D
S Y S T E M O K
+ 2 4 V D C *
C H A S S I S
K A 3
G N D
G N D
D R I V E E N A B L E
S P E E D E N A B L E
D R . X O K
D R I V E E N A B L E
S P E E D E N A B L E
D R . Z O K
G N D
+ 2 4 V D C
O N
K A 3
S P E E D E N A B L E
E R R O R R E S E T
D R I V E E N A B L E
G N D
D R . S O K
C H A S S I S
F A G O R
C N C
2 x 4 0 0 / 4 6 0 V A C
3 x 4 0 0 / 4 6 0 V A C
1
0
1
0
4
8
N O D E
S E L E C T
8
9
0
4
8
N O D E
S E L E C T
0
4
8
N O D E
S E L E C T
X 1
1
0
1
1
0
1
7
1
1
1
1
X 2
L+
L-
L +
L -
L +
L -
C H O K E X P S
1 0 m m ² ( X P S - 2 5 )
5 0 m m ² ( X P S - 6 5 )
C H 2
C H 1
X P S - X X
R E G E N E R A T I V E
P O W E R
S U P P L Y
R i
R e
L +
L 1
L 2
L 3
X 3
L 3
L 2
L 1
3 x 4 0 0 / 4 6 0 V A C
2 x 4 0 0 / 4 6 0 V A C
L 2
L 1
1
2
3
L 2
L 1
X 1
I N T E R N A L
B U S
P O W E R
B U S D C
X
A X D
A X I S
D R I V E
W
V
U
W
V
U
M O T O RM O T O R
O U T 2
O U T 2
X 6
T
S
R
X 1
1
L 1
L 2
L 2
L 1
A X D
A X I S
D R I V E
Z
S C D
C O M P A C T
D R I V E
M O D U L E
S
2 . 5 A
( F ) f u s e
2 . 5 A
( F ) f u s e
X 2
X 4
X 2
X 1
2
3
4
5
6
7
8
2
3
+ 2 4 V D C
6
5
3
1
2
3
4
5
6
7
8
2
3
4
5
6
7
8
9
1 0
X 2
2
3
L 1
L 2
L 3
Line voltage: 400 (1-10 %) V AC / 460 (1+10 %) V AC
AXIS COMPACT DRIVE
A1
B
None
CURRENT
(A)
Irated / Ipeak
for IGBT's switching
frequencies (fc)
at 4|8 kHz
for fc = 4 kHz
08
15
25
35
50
Examples.
ACD 1.25-C0-0
Compact axis drive, size 1, with a peak current of 25 A at 4 kHz
with ·CAN· board, with no additional feedback board and with ·CAPMOTOR-1· motor
feedback board. Line voltage: 400/460 V AC
ACD 1.25-C0-0-B
Compact axis drive, size 1, with a peak current of 25 A at 4 kHz
with ·CAN· board, with no additional feedback board and with ·CAPMOTOR-2 motor
feedback board. Line voltage: 400/460 V AC.
Important note.
Models with CAN interface (C0) cannot have an encoder simulator
board or the direct feedback board. In other words, there are no sales models like
ACD X.XX-C0-1-X-X or ACD X.XX-C0-2-X-X.
S0
SI
C0
Analog I/O
0
2
Encoder simulator
Direct feedback
1
CAPMOTOR-1
CAPMOTOR-2
SERCOS
SERCOS and Analog I/O
CAN
INTERFACE
ADDITIONAL
FEEDBACK
None
MOTOR
FEEDBACK
SIZE
weidth (models)
2
77 mm (08/15/25)
177 mm (35/50)
1
AXIS COMPACT DRIVE, ACD
Example:
ACD 1.25-S0-0-B-L
4.0
7.5
12.5
17.5
25.0
8.0
15.0
25.0
35.0
50.0
for fc = 8 kHz
08
15
25
35
50
4.0
7.5
9.5
17.5
20.0
8.0
15.0
19.0
35.0
40.0
3
GAP CTRL
LINE
ACD 1.25-S0-0-B-L
Compact axis drive, size 1, with a peak current of 25 A at 4 kHz
with ·SERCOS· board, with no additional feedback board and with ·CAPMOTOR-2·
motor feedback board. Line voltage: 200/240 V AC.
VOLTAGE
400/460 V AC
200/240 V AC
- L
None
·available shortly·

Other manuals for Fagor DDS

Related product manuals