EasyManua.ls Logo

Fantech SHR 1505R - Electrical Connections; Shr1504, 1505 R, 2004, 2005 R; Vhr1404, 1405 R, 2004, 2005 R; Electrical Connections Shr1504, 1505 R, 2004, 2005 R

Fantech SHR 1505R
44 pages
Print Icon
To Next Page IconTo Next Page
To Next Page IconTo Next Page
To Previous Page IconTo Previous Page
To Previous Page IconTo Previous Page
Loading...
16
fantech
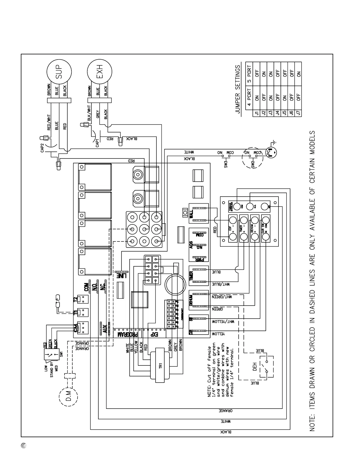
Electrical connections



Table of Contents

Related product manuals