EasyManua.ls Logo

Fantech SHR 1505R - Simplified Installation - Option 2

Fantech SHR 1505R
44 pages
Print Icon
To Next Page IconTo Next Page
To Next Page IconTo Next Page
To Previous Page IconTo Previous Page
To Previous Page IconTo Previous Page
Loading...
8
fantech
Air from inside

furnace blower is running.
Outside
recommended
Cold air
return
* Ductwork layout may dif-
fer depending on model
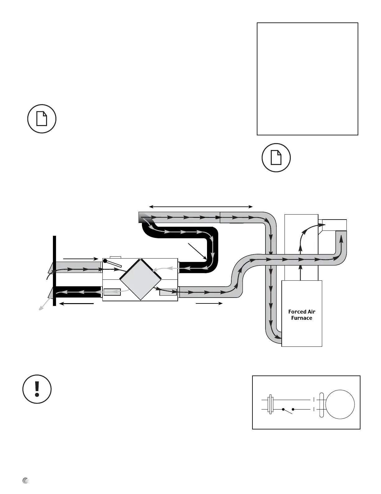
HRV/Furnace ducting for Simplified Installation - Option 2
 on the

SIMPLIFIED INSTALLATION (GOOD)
OPTION 2
1. Furnace blower must operate when ventilation from HRV is required. The
furnace should be set to run continuously or interlocked with HRV.
 Due to the differences in pressure between the HRV and the equipment it is
being connected to, the HRV‘s airflow must be balanced on site, using the
procedure found section "AIRFLOW BALANCING".
Installation examples 
In the case of a simplified
installation, Option 1 is
recommended.
Suggested installation for:
When bathroom and
kitchen already have local
exhaust system

retrotting
Benets: Least expensive
installation type
Fantech heat recovery ventilators (HRV) that use a supply fan shutdown for frost preven-
tion do not include an outdoor air motorized damper. If you are using a simplied installa-
tion, i.e. connecting the HRV supply air duct to a furnace's return air duct, the HRV must
operate continuously. When the HRV is turned off, no warm exhaust air will ow through
the HRV but the furnace's fan will continue to draw in outdoor air directly into the furnace.
If it's cold outside, cold air will be introduced, without re-heating, directly into the furnace.
If the HRV is installed such that the homeowner may turn off the HRV during the winter, we
recommend installing a motorized damper between the HRV's supply air and the furnace's
return air duct that closes when the HRV is not operating. See wiring diagram (gure 1).
You may also choose to use a Fantech HRV that uses a recirculation defrost that incorpo-
rates an outdoor air damper.
Damper



NO
HRV Furnace interlock
See page 17.


Figure 1
*Transformer and Damper motor not included
Fresh air to living areas
Stale air to
outside
Fresh air from
outside

Table of Contents

Related product manuals