EasyManua.ls Logo

Fantech SHR 1505R - Shr3205 Rd

Fantech SHR 1505R
44 pages
Print Icon
To Next Page IconTo Next Page
To Next Page IconTo Next Page
To Previous Page IconTo Previous Page
To Previous Page IconTo Previous Page
Loading...
18
fantech
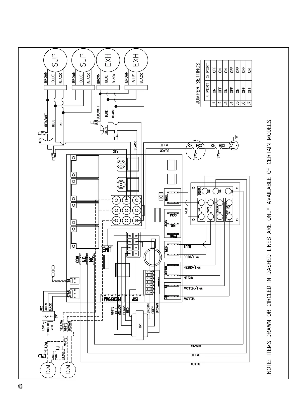
Electrical connections


Table of Contents

Related product manuals